ROHM Semiconductor RB-D62Q2045GD24リファレンスボード

ROHM Semiconductor RB-D62Q2045GD24 リファレンスボードは、LAPIS ML62Q2045 16ビット マイクロコントローラを搭載した汎用性の高い開発プラットフォームです。堅牢な性能と柔軟性を重視して設計されたこのリファレンスボードは、組み込みシステムに取り組むエンジニアや開発者にとって理想的なソリューションを提供します。ML62Q2045 マイクロコントローラは、低消費電力と高機能性を兼ね備えており、産業用オートメーション、家電、モノのインターネット(IoT)デバイスなどのアプリケーションに適しています。必要不可欠なペリフェラル、デバッグインターフェイス、および構成可能な機能を備えたROHM Semiconductor RB-D62Q2045GD24は、デザインのシームレスなプロトタイピングと評価を可能にします。また、使いやすいレイアウトと充実したドキュメントにより、開発効率をさらに高め、多様なプロジェクトへのスムーズな統合を実現します。

RB-D62Q2045GD24は、ML62Q2045 MCUの使用方法を学ぶために使用することができます。この場合、必要に応じて追加の外付け部品を用意する必要があります。RB-D62Q2045GD24をEASE1000 V2 オンチップエミュレータおよびソフトウェア開発環境と一緒に使用することにより、ソフトウェアを開発し、フラッシュをデバッグ/プログラミングすることができます。また、RB-D62Q2045GD24 リファレンスボードを外部電源に接続することで、EASE1000 V2を接続することなく単独で使用することができます。

特徴

  • LAPIS ML62Q2045 16ビットマイクロコントローラ搭載、24ピンWQFNで提供
  • EASE1000 V2 に接続するコネクタを装備
  • LSIのピンと外部周辺ボードを接続するためのスルーホール
  • 電源の選択が可能:オンチップエミュレータEASE1000 V2またはCN1:6 ピン
  • 発電用チャージポンプ搭載
  • LEDを搭載(P05)
  • 逐次比較型A/Dコンバータ用 の部品を搭載したフットパターンを用意(P14、P15、P16、P17)
  • 内蔵ペリフェラル
  • デバッギングとプログラミングインターフェイス
  • UART、SPI、I2C通信インターフェイス
  • 電源電圧範囲:4.5V〜5.5V
  • サイズ:56mm x 94mm x 15mm(WxDxH)

アプリケーション

  • ホーム・ビルディングオートメーション
  • 産業用制御およびモニタリング
  • IoTデバイス
  • ウェアラブル
  • 家電製品
  • 車載
  • 医療機器
  • エネルギー管理

概要

ロケーション回路 - ROHM Semiconductor RB-D62Q2045GD24リファレンスボード

電源回路

ロケーション回路 - ROHM Semiconductor RB-D62Q2045GD24リファレンスボード

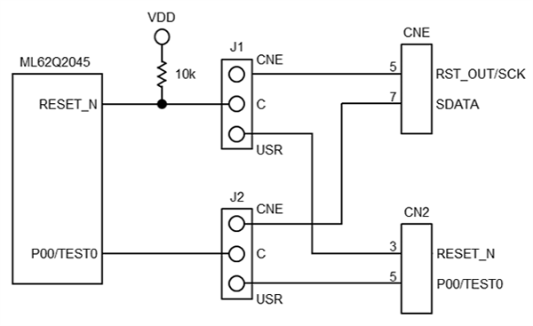
EASE1000 V2インターフェイス

ロケーション回路 - ROHM Semiconductor RB-D62Q2045GD24リファレンスボード

PCBレイアウト

機械図面 - ROHM Semiconductor RB-D62Q2045GD24リファレンスボード
公開: 2025-01-10 | 更新済み: 2025-08-19