ROHM Semiconductor RB-D62Q2532TB48リファレンスボード
ROHM Semiconductor RB-D62Q2532TB48 リファレンスボードは、LAPIS ML62Q2532 CMOS 16ビット RISC マイクロコントローラを中心に構築された強力な開発プラットフォームです。このボードは、メインインバータ、オンボード充電器、バッテリ管理システムなどの車載システムを含む、さまざまなアプリケーションの効率的なプロトタイピングとテストをサポートするように設計されています。また、このボードの低消費電力動作と堅牢な処理能力により、ファクトリーオートメーションや制御市場における産業機器や、インテリジェントな家電にも最適です。RB-D62Q2532TB48は、ロームの開発ツールとのシームレスな互換性を備えており、技術者は、今日の組込みシステムの要求を満たす革新的でエネルギー効率に優れた信頼性の高いソリューションを設計することができます。特徴
- LAPIS ML62Q2532 CMOS 16ビット RISC MCU搭載、48ピンTQFPで提供
- EASE1000 V2 と接続するためのコネクタを実装
- LSIのピンと外部周辺ボードを接続するためのスルーホール
- 電源の選択が可能:オンチップエミュレータEASE1000 V2またはCN1:3 ピン
- 32.768KHz 水晶発振子内蔵
- LED搭載(P20、P21、P22)
- 逐次比較型A/Dコンバータ用の部品を搭載したフットパターンを用意(P30、P31、P32、P33)
- 低電力消費
- 内蔵フラッシュメモリとRAM
- 柔軟なI/Oおよび通信インターフェイス
- リアルタイム処理
- 動作電源範囲:1.8V〜5.5V
- コンパクトなフォームファクタ、56mm x 94mm x 15mm(WxDxH)サイズ
アプリケーション
- 車載システム
- 産業機器
- 家電製品
概要
電源回路
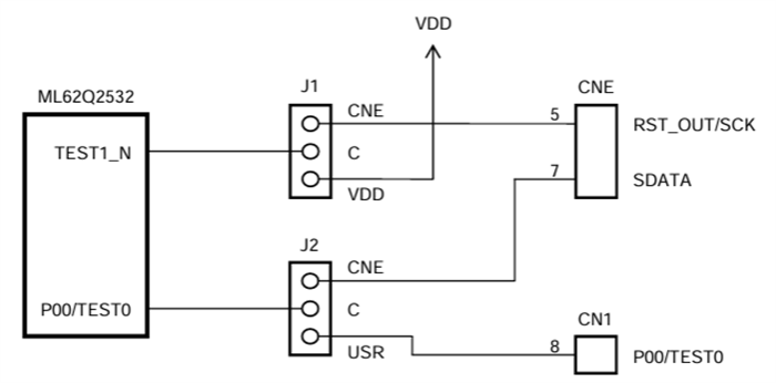
EASE1000 V2 インターフェイス
PCBレイアウト
公開: 2024-12-30
| 更新済み: 2025-01-07
