Analog Devices Inc. ADL8103-EVALZ評価ボード
Analog Devices Inc. ADL8103-EVALZ評価ボードは、6GHz〜12GHzの帯域で動作するADL8103ブロードバンド低ノイズアンプを評価するための使いやすいプラットフォームです。Analog Devices ADL8103-EVALZボードは、性能テストと特性評価に最適化されています。50Ω のRF入力および出力ラインを備えた2層プリント基板、簡単に接続できるSMAコネクタ、信号損失や歪みを最小限に抑える堅牢なレイアウトが特長です。本ボードはバイアス回路を搭載しており、柔軟な電源電圧構成に対応しています。そのため、さまざまなRFアプリケーションに適しています。コンパクトな設計と簡単なセットアップにより、本評価ボードはADL8103をシステムに組み込む際や、実験室で性能を評価する技術者や設計者に最適です。特徴
- 4層のPCBで、 Rogers 4350BとIsola 370HR評価ボード
- エンドローンチ、2.92mmメスRFコネクタ
- 較正パスを使用(未インストール)
- 50ΩのRF入力および出力トレース
- 動作温度範囲:-55°C~+125°C
アプリケーション
- テスト機器
- 防衛用通信
- レーダー
必要な機器
- RF信号発生器
- RFスペクトルアナライザ
- 20dB、1W RFアッテネータ
- 20dB RFカプラ(オプション)
- RFパワーメータとパワーセンサ(オプション)
- RFネットワーク解析器
- 電源 5V、300mA
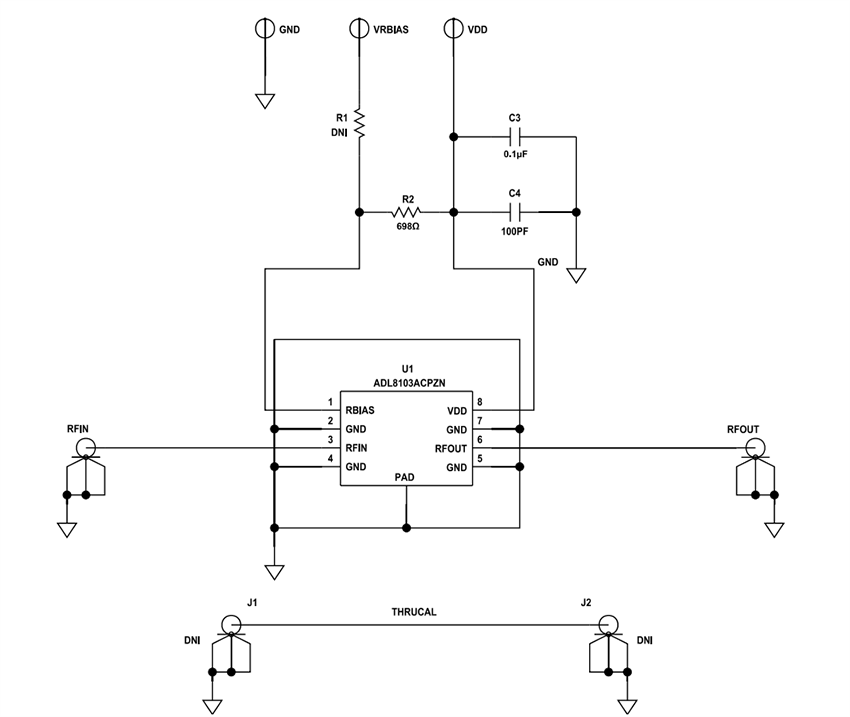
回路図
テストセットアップの図
リソース
公開: 2025-05-23
| 更新済み: 2025-05-28
