ADI EVAL-ADXL314Z評価ボードは、既存のシステムでADXL314を評価する場合に最適です。EVAL-ADXL314Zのボードの剛性と小型サイズにより、ボードがシステムに及ぼす影響と加速度の測定が最小限に抑えられます。
特徴
- 5ピンヘッダの実装を目的とした、間隔を空けた2組のバイアス
- プロトタイピングボードまたはPCBに簡単に取付
- 小型かつボードの剛性によって、システムおよび加速度計測への影響を最小限に抑えられます。
キット内容
- EVAL-ADXL314Z評価ボード
- 10ピンHarwinコネクタ、M80-8541042
レイアウト
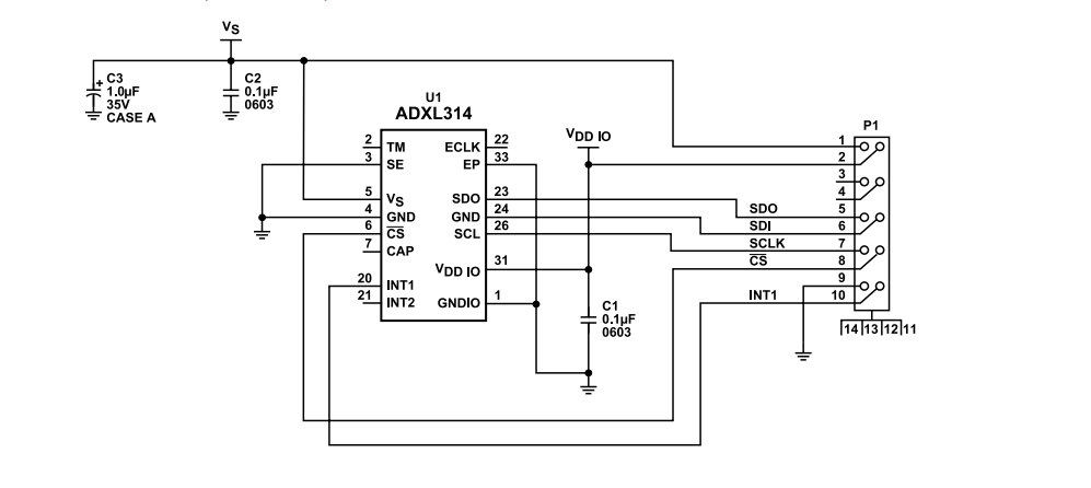
回路図
公開: 2022-10-24
| 更新済み: 2022-10-27

