Analog Devices Inc. LTM4654ハイブリッド降圧μModule® バスコンバータ
Analog Devices LTM4654ハイブリッド降圧µModule® バスコンバータは、300W出力のソース/シンク対応スイッチングモードハイブリッドトポロジー降圧DC-DC電源用μModule(マイクロモジュール)バスコンバータです。LTM4654は、20Vから55Vの入力電圧範囲から最大25Aの出力電流を供給するよう設計されています。コンパクトなBGAパッケージに実装されたAnalog Devicesのコンバータは、スイッチングコントローラIC、パワーMOSFET、磁気部品、およびサポート部品を統合しており、電源システムの設計を大幅に簡素化し、基板スペースを削減します。LTM4654は固定の5:1入力-出力電圧比を備えており、通信、産業、自動車アプリケーションにおいて高電圧の中間バスレールを低電圧に変換するのに最適です。LTM4654は、双方向動作、周波数同期、Burst Mode® 動作、出力電圧のソフトスタート、およびトラッキング機能を備えています。温度モニタリング用に基板上温度ダイオードが搭載されています。これらのコンバータは、優れた熱性能、高い電力密度、過電圧、過電流、サーマルシャットダウンなどの信頼性の高い保護機能を備えています。LTM4654は、使いやすく高信頼性を備え、厳しい環境でのコンパクトかつ効率的な電力変換を求める設計者に最適なソリューションです。
特徴
- 入力電圧範囲:20V~55V、絶対最大定格:57V
- 広い出力電圧範囲:4.5V~18V(VOUT < VIN/2)
- 効率:96.7%(9V/±15A 出力、48VIN)
- 最大全体直流出力誤差:±3%
- 出力電力:最大300 W(ソース/シンク対応)
- より高出力のアプリケーションに対応可能
- 固定周波数電流モード制御
- 200kHz~1MHzの外部同期に対応した位相ロック機能
- DC/DCスイッチング動作の前にCFLYおよびCMIDの電圧をバランスさせることで、起動時の突入電流を低減
- ソフトスタート機能付きの出力電圧トラッキング
- リトライタイマ調整可能な短絡保護機能
- 過電流および温度過昇保護
- オンボードダイオード温度モニタ
- 外部リファレンス入力に対応(オプション)
- Power Goodおよび FAULT 出力インジケータ搭載
- 内部動作温度範囲:-40°C〜+125°C
- 120-lead、16mm × 16mm × 8.96mm、BGAパッケージ
- RoHS準拠
アプリケーション
- 非絶縁型中間バス電源アーキテクチャ向けに設計
- 通信機器、ネットワーク機器、測定機器
- 工業
代表的なアプリケーション
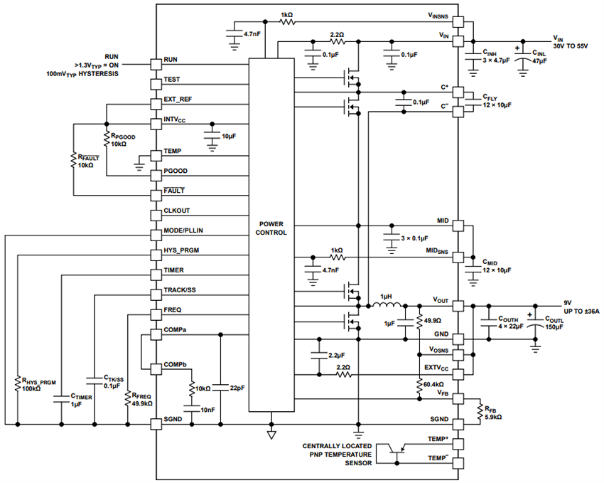
ブロック図
公開: 2025-05-23
| 更新済み: 2025-05-28
