ADI MAX26040は、固定出力電圧5Vと、4V〜15Vの間で設定可能な出力範囲を備えています。周波数は220kHz〜2.2MHz調整可能で、これにより小型の外付け部品を使用でき、出力リップルを低減します。このICは、スプレッドスペクトル周波数変調に対応しており、変調周波数による電磁干渉(EMI)および放射されるエミッションを最小限に抑えるように設計されています。
MAX26040は、4mm × 4mmの小型20ピン・サイドウェットテーブルTQFNパッケージに収められており、必要な外部部品も最小限です。
特徴
- 高電圧、高効率、低消費電力
- 動作電源電圧:4.5V~36V
- 最大許容入力トランジェント:40V
- ENピン対応入力電圧:3.3V〜40V
- 最大出力電流:1.2A
- -40°C~+125°C温度範囲
- 高効率を実現しつつ、部品点数の削減によるBOMコストおよび基板スペースの最小化を実現
- FET(フィールド・エフェクト・トランジスタ)を統合したHブリッジ構成を採用
- 固定出力電圧
- 20ピンSWTQFNパッケージ
- 低静止電流により、設計者はOEM(相手先ブランド製造元)の厳しい電流要件を満たすことが可能です。
- スタンバイモード時自己消費電流:52μA
- シャットダウンモード時最大静止電流:10μA
- より小型の外付け部品を使用可能な高スイッチング周波数
- 動作周波数: 200kHz ~ 2.2MHz
- 効率的な低電力動作が可能なスキップモード
- 固定周波数パルス幅変調(PWM)モード
- 外付け周波数の同期
- スイッチング周波数でのEMI放射を低減でき、スプレッドスペクトラムの有効/無効を選択可能
アプリケーション
- 電気通信、サーバー、ネットワーク機器
- 12V/24V産業用アプリケーション
- ポイントオブロード電源
代表的な動作回路
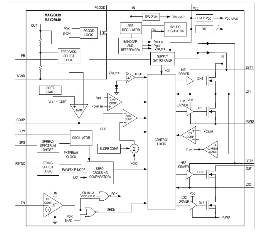
機能図
公開: 2025-05-15
| 更新済み: 2025-06-03

