Diodes Incorporated AHE101 InSbホール素子
Diodes Incorporated AHE101InSbホール素子は、超高感度で微小磁界を検出し、比例アナログ出力を提供します。これらのホール素子は、415mV最大出力電圧、2V最大入力電圧、240Ω ~550Ω 入力/出力抵抗範囲、-40°C ~125°C動作温度範囲が特徴です。AHE101ホール素子は、ブリッジ構造で構成されており、-40°C ~125°Cの広い動作温度範囲を提供します。これらのセンサには、複数のホール感度(ランク)があり、あらゆる磁界強度に応じた出力電圧レベルを提供し、さまざまなアプリケーションニーズに合わせて最適化できます。AHE101ホール素子は、SOT23-4 (Type A)パッケージでご用意があり、RoHS準拠しています。代表的なアプリケーションには、ブラシレスモータ、ファン、回転速度検出、電流測定、ホイール回転速度検出、磁気エンコーダがあります。特徴
- 超高感度
- クラシックSOT23-4 (Type A) パッケージ
- 完全リードフリー
- RoHSに完全準拠
- ハロゲンとアンチモンフリー「グリーン」デバイス
- 特定の変更制御を必要とする車載アプリケーション向け(例: AEC-Q100/101/104/200認定部品、PPAP対応、IATF 16949認定施設で製造)
アプリケーション
- 携帯電話やPCの開閉の検出
- ジョイスティックでの検出
- 磁気エンコーダ
- オーバーヘッドワイヤ電流計(クランプタイプ電流計)を用いた電流測定
- ブラシレスモータとホイール回転速度検出を用いた位置検出
- 非接触通信、速度測定、角度位置センシング/インデックス:
- 家庭用電化製品
- オフィス機器
- 産業用デバイス
仕様
- 最大入力電流 20mA
- 2V 最大入力電圧
- 動作温度範囲:-40°C~125°C
- 入力/出力抵抗範囲:240Ω~550Ω
- 最小出力ホール電圧:168mV(@ 50mT 1V)
- 最大出力ホール電圧:415mV(@ 50mT 1V)
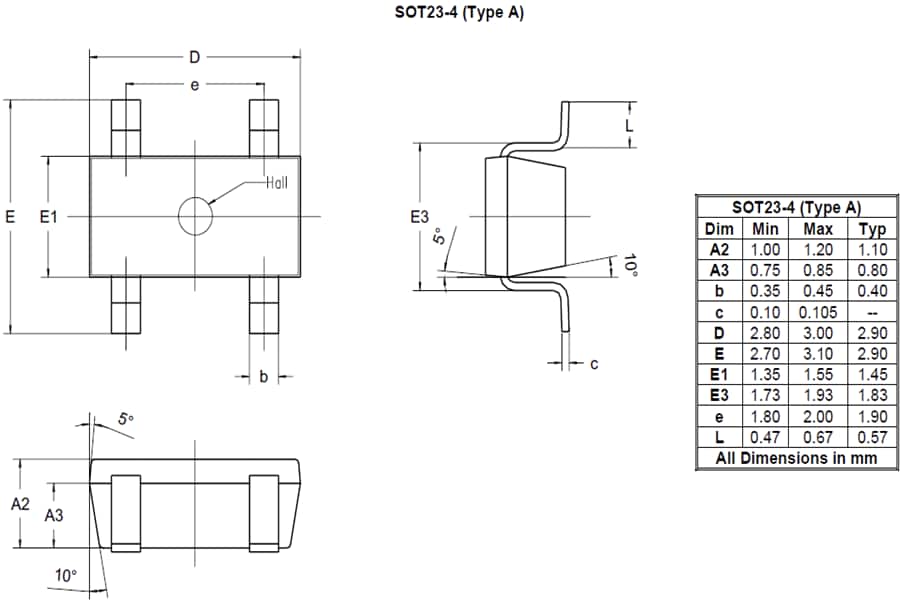
- SOT23-4(Type A)パッケージ
寸法図
代表的な動作特性
公開: 2025-04-07
| 更新済み: 2025-05-06
