Semtech GS29723G/HD/SD-SDIシリアライザ
Semtech GS29723G/HD/SD-SDIシリアライザは、SMPTE ST424、SMPTE ST292、SMPTE ST 259-C、または DVB-ASI 準拠のシリアル デジタル出力信号を生成します。統合された狭帯域幅 PLL により、デバイスは入力ジッタの高いパラレル クロックを受け入れることができます。これらのデバイスは、SMPTE 準拠のシリアル デジタル出力を提供します。このデバイスは、ユーザーが選択できる 4 つの基本モード (SMPTE モード、DVB-ASI モード、データスルー モード、スタンバイ モード) で動作できます。特徴
- 2,970Gb/s、2.970/1.001Gb/s、1.485Gb/s、 1.485/1.001Gb/s および270Mb/sでの動作
- SMPTE ST425(レベル A およびレベル B) 、SMPTE ST424、SMPTE ST292、SMPTE ST 259-C および DVB-ASI をサポート
- 統合されたケーブルドライバ
- 統合された低ノイズ VCO
- 狭帯域幅PLLを統合
- 最大8チャンネルの 48kHz オーディオに対応する統合オーディオ エンベッダー
- 補助データの挿入
- 1080p50/60 4:2:2 10 ビットの SMPTE ST425レベル A からレベル B へのオプションの変換
- 20ビットまたは10ビットとして選択可能なパラレルデータバス
- SMPTE ビデオ処理(TRS の計算と挿入、ライン番号の計算と挿入、ラインベースの CRC の計算と挿入、不正なコードの再マッピング、SMPTE ST352ペイロード識別子の生成と挿入を含む)
- GSPIホストインターフェイス
- +1.2Vデジタル コア電源、+1.2V、および +3.3V アナログ電源、および選択可能な+1.8Vまたは +3.3V I/O 電源
- -20℃~+85℃の動作温度範囲
- 低電力動作 (通常は 400mW、ケーブルドライバを含む)
- 小型11mmx11mm100-ballBGA パッケージ
- 鉛フリーおよびRoHS準拠
アプリケーション
- 1080p 50/60 カメラ/ビデオカメラ
- デュアルリンク (HD-SDI) からシングルリンク (3G-SDI) へのコンバータ
- マルチフォーマットオーディオエンベッダーモジュール
- マルチフォーマットデジタルVTR/ビデオサーバー
- マルチフォーマットプレゼンテーションスイッチャ(出力段)
- 3Gb/sSDI テスト信号発生器
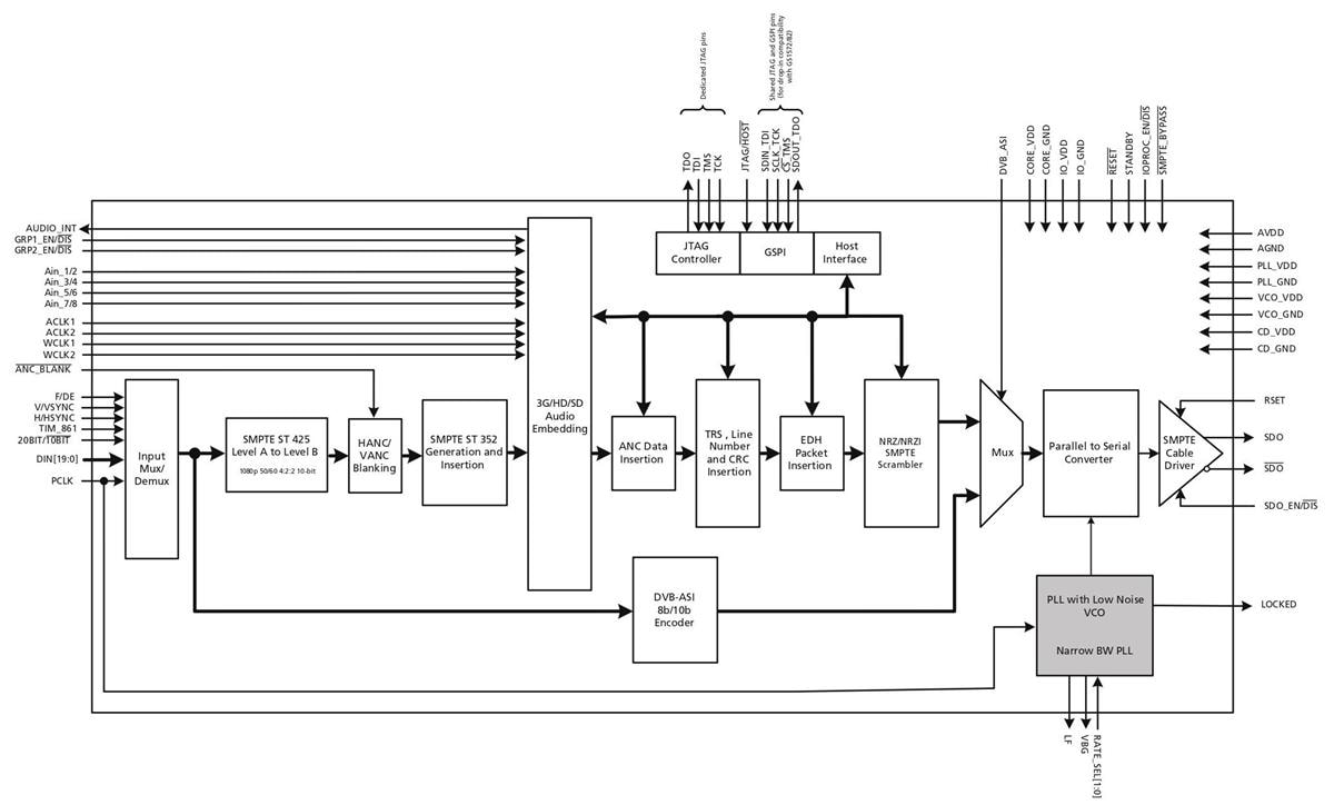
ブロック図
公開: 2022-11-03
| 更新済み: 2023-05-18
