Semtech RClamp® 10022PWQ 過渡電圧サプレッサ(TVS)
Semtech RClamp®10022PWQ 過渡電圧サプレッサ(TVS)は、車載環境における100BASE-T1、および1000BASE-T1 インターフェイスのESD保護用に設計されています。この2ラインサプレッサは、シリコンアバランシェ技術を活用しており、優れたESDおよびTLPクランプ性能(制限性能)を実現します。Semtech RClamp10022PWQ TVSの仕様は、±15kV接触放電、±25kV気中放電、IEC 61000-4-2に準じた保護、0.6pFの最大定格容量などです。RClamp 10022PWQ TVSは、10BASE-T1S、100BASE-T1、および1000BASE-T1アプリケーションのOPEN Allianceの規格を満たしており、先進運転支援システム(ADAS)や自動運転向けの信頼性の高いイーサネット接続を保証します。特徴
- Open Alliance規格に準拠
- AEC-Q100に準拠
- ソリッドステート・シリコンアバランシェ技術
- サイドウェッタブルフランク
- 簡単なレイアウトを実現できるように最適化されたパッケージデザイン
アプリケーション
- 2.5G/5G/10GBASE-T1
- Open Alliance 100/1000BASE-T1 Ethernet
- 自動車の車内ネットワークライン
仕様
- IEC 61000-4-2に準じたESD
- ±15kV (接触)
- ±25kV (気中)
- ISO 10605に準じたESD
- ±30kV (接触、気中)
- ±15kV (接触)
- 接触放電:±15kV/1000
- 最大定格容量:0.6pFmaximum
- 最小TVSトリガ電圧:100V
- TVS動作電圧:30V
- 2mmx1mmx0.55mmDFN パッケージ
- 無鉛リード仕上げ
ウェッタブル・フランク・パッケージ
回路図
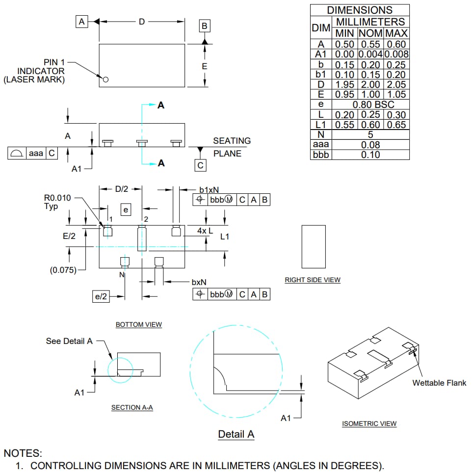
寸法図
ビデオ
公開: 2025-02-24
| 更新済み: 2025-07-16
