AIRPAX / Sensata APシリーズ磁気回路ブレーカ
AIRPAX/Sensata APシリーズ磁気回路ブレーカは、完全に密封された油圧式磁気回路保護装置です。これらの回路ブレーカには、パワースイッチングと正確で信頼性の高い回路保護が組み合わされており、逆時間遅延と「トリップフリー」機能が備わっています。「トリップフリー」動作の際、過負荷がある場合にハンドルがオンの位置にあっても回路は閉じたままになりません。AP磁気回路保護装置は 、DC、50Hz/60Hz、または400Hzバージョンのいずれかでご用意があり、特定のアプリケーション要件に対して保護装置をマッチングするためのさまざまな遅延があります。ブッシング/ハンドルアセンブリ内の「O」リングブッシングシールとシリコンゴムグランドにより、防水パネルの整合性を提供します。このデバイスは、MIL-STD-202、Method 101、Test Condition Bに準じた塩水噴霧試験に対する認証を受けており、腐食、電気、または機械的損傷の証拠がありません。 一般的なアプリケーションには、通信、ナビゲーション、航空機計測機器、レーダー、電源、石油化学デバイスがあります。Airpax™UP サーキットプロテクタは、UL認定およびCSA認定の単極ユニットでご利用いただけます。これらの回路保護装置は、50V DC ~ 20A、120V 50Hz/60Hz ~ 15A、240V 50Hz/60Hz ~ 7.5Aで動作します。Airpax UP回路保護装置には、石油化学アプリケーションを対象としたオプションのFactory Mutual(FM)調査承認および爆発性環境での使用を目的としたオプションのATEX認証が備わっています。
Airpax™AP-MIL プロテクタは、MILPRF-39019ごとに製造され、補助接点の有無にかかわらず、1 極、2 極、3 極のシリーズ・トリップ・ユニットでご利用いただけます。
特徴
- QPL ~ MIL-PRF-39019
- 密閉型磁気油圧式回路保護
- 100Gの衝撃に繰り返し耐えることが可能
- クラス1、Div.での使用に最適です。2グループA、B、C、D危険な場所
- 「トリップフリー」アクション-ハンドルがオンの位置に保持されていても、過負荷で回路が閉じたままになりません
アプリケーション
- 通信
- ナビゲーション
- 航空機計測機器
- レーダー
- 電源
- 石油化学要件
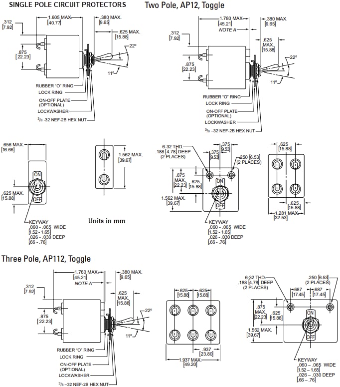
寸法
ビデオ
公開: 2025-05-22
| 更新済み: 2025-06-09
