Infineon Technologies TLE4802 XENSIV™ 誘導式位置センサ
Infineon Technologies TLE4802 XENSIV™ 誘導式位置センサは、PCBにプリントされたコイル上の金属ターゲットの位置を感知するために渦電流方式を使用しています。この誘導式センサICは、信号補正、角度、トルク計算のためのデジタル信号処理(DSP)ユニットを備えています。TLE4802誘導性センサは、2つの1線式インターフェイス、SENT (SAE J2716-2016ベース) とSPCを搭載しており、柔軟性とスムーズな統合を実現できます。デバイスは、過電圧保護や逆極性保護機能を実装し、PG-TSSOP-16 SMDパッケージで供給されます。この誘導性位置センサは、RoHS準拠およびAEC-Q100認定済みです。TLE4802誘導性位置センサは、ステアリングトルクセンサとステアリング角度センサに最適です。特徴
- 誘導性ベースの測定原理
- デュアル角度測定と計算済みトルク情報
- ISO 11452-8:2015準拠の漂遊磁場ロバスト性
- ISO 26262:2018 ASIL Dまでの安全規格に対応したコンテキスト外の安全要素
- サイバーセキュリティ機能
- SENT (SAE J2716-2016ベース) およびSPCインターフェイス
- PG-TSSOP-16 SMDパッケージ、Grade 0
- -40°C~150°C (周囲温度)
- 過電圧および逆極性の保護
- キャリブレーションと構成用のメモリを内蔵
- RoHS準拠
- ハロゲンフリーパッケージ
アプリケーション
- 自動車
- ステアリングトルクセンサ
- ステアリング角度センサ
ブロック図
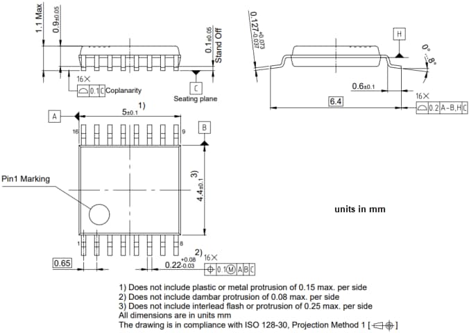
寸法図
公開: 2025-05-15
| 更新済み: 2025-10-07
