Broadcom HEDS-9930(E2/E2L)評価ボード

Broadcom HEDS-9930(E2/E2L)評価ボードは、AEDR-9930 エンコーダASICのリファレンスデザインとして使用されるように設計されています。AEDR-9930E2/E2Lは、モーションコントロールに反射技術をに使用してデジタル信号を提供する3チャンネル反射型光学エンコーダです。これらのデジタルエンコーダは、2チャンネル(AB)直交デジタル出力と3チャンネル目のデジタルインデックス出力を備えています。代表的なアプリケーションには、閉ループステッパモータ、産業用プリンタ、アクチュエータ、ロボティクス、カードリーダー、リニアステージ、ポータブル医療機器、検眼機器、パン・チルト・ズーム(PTZ)カメラなどがあります。

アプリケーション

  • 閉ループステッパモータ―
  • 小型モータとアクチュエータ
  • 産業用プリンタ
  • ロボット工学
  • カードリーダー
  • Pan-Tilt-Zoom(PTZ)カメラ
  • ポータブル医療機器
  • 検眼装置
  • 線形段

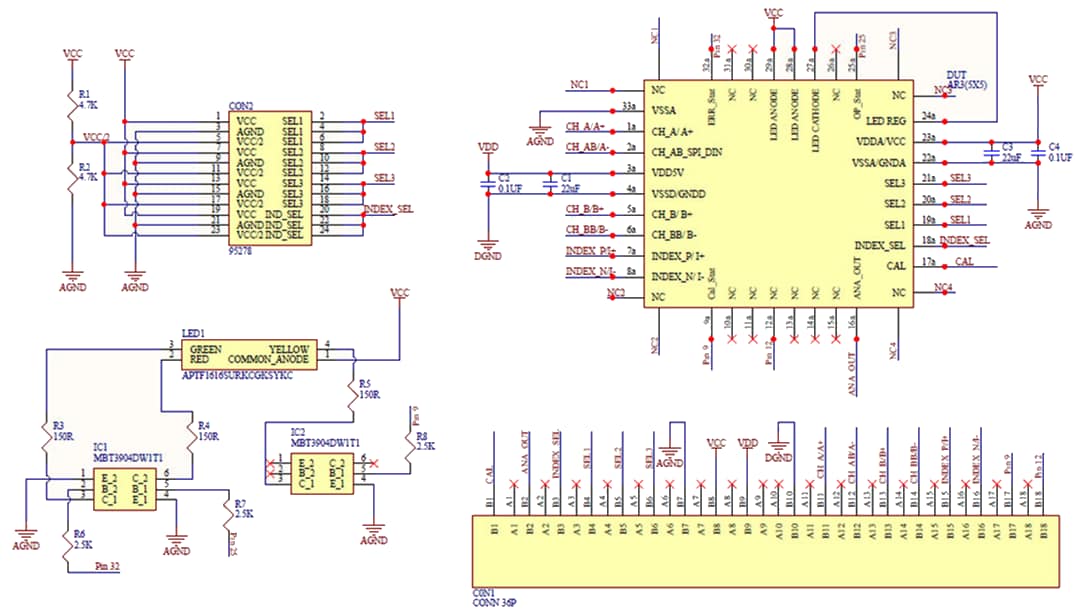
スキーム図

回路図 - Broadcom HEDS-9930(E2/E2L)評価ボード
公開: 2025-04-14 | 更新済み: 2025-04-30