STMicroelectronics EVL6480ステッパモータードライバ評価ボード
STMicroelectronics EVL6480ステッパモータドライバ評価ボードは、L6480に基づいており、手頃な価格で使い勝手の良いソリューションを実現しており、ユーザーのアプリケーションでステッパモータを駆動できます。L6480は、高度な完全統合ソリューションで、マイクロステッピング2相バイポーラステッパモータの駆動に適しています。デュアルフルブリッジゲートドライバが組み合わされており、NチャンネルMOSFET電力段と組み込み非散逸過電流保護が備わっています。BEMF、バス電圧、モータ巻線の変動を補償する独自の電圧駆動モードのおかげで、真の1/128ステップ分解能のマイクロステッピングを達成できます。デジタル制御コアは、専用のレジスタを介して簡単にプログラミングできる加速、速度、減速、または目標位置でのユーザー定義モーションプロファイルを生成できます。すべてのコマンドとデータレジスタは、アナログ値の設定に使用されるもの(電流制御値、電流保護トリップポイント、デッドタイムなど)を含めて、スタンダードの5Mbit/s SPIを介して送信されます。完全な一連の保護(熱、低バス電圧、過電流、モータストール)によって、最も要求の厳しいモータ制御アプリケーションによってL6480を完全に保護します。STMicroelectronicsEVL6480は、Arduino®UNOR3コネクタと互換性があり、他のボードの追加をサポートしており、最大3つのステッピング・モーターを駆動するために積み重ねることができます。
特徴
- 電圧範囲7.5V~85V
- DPAKパッケージに収められた低RdsON MOSFET
- 電圧モード駆動
- 完全保護された電力段
- マイクロステッピング分解能最大1/128
- Arduino UNO 3Rコネクタとの互換性あり
- マルチモータソリューションに最適
- RoHS準拠
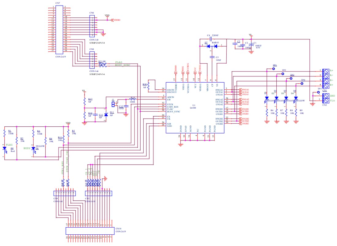
ボードの概略図
公開: 2024-10-31
| 更新済み: 2024-11-07
