モーション制御向けに設計されたGANSPIN611は、ハードオン/オフ時の出力 dV/dtを10V/ns(代表値)に最適化しています。この機能は、EMI、モータ巻線、およびボールベアリングの信頼性のために、モータ制御で必要となります。堅牢性と信頼性もGaNSPINシリーズの特徴です。高度な保護機能を備えたGaNSPINデバイスは、理想的なシステムの堅牢性を保証します。SmartShutdown 過電流保護機能は、内蔵ロジックと専用の高速コンパレータにより、高速応答を実現します
STマイクロエレクトロニクス (STMicroelectronics) GANSPIN611は、コンパクトな9mm x 9mm x 1mmのQFNパッケージで提供され、-40°C〜+125°Cの産業用温度範囲内で動作します。GANSPIN611は、プラットフォーム アプローチにおけるスケーラビリティを最大化するために、GANSPIN612 [RDS(ON) = 270mΩ] とピン互換性があります。
特徴
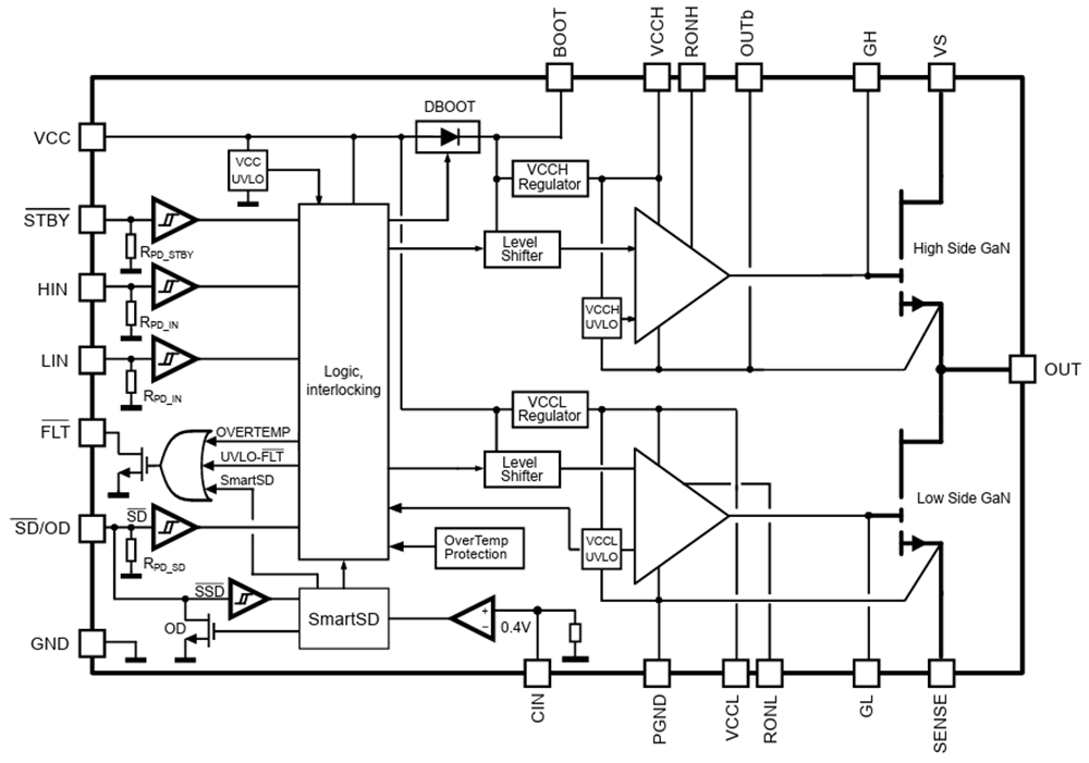
- ハーフブリッジで構成した高電圧GaNトランジスタと高電圧ゲートドライバを統合したパワーシステム・イン・パッケージ・ファミリ
- RDS(ON) = 138mΩ
- IDS(MAX) = 10A
- 逆導通能力とゼロ逆回復損失
- ハードオンとハードオフの両方での10V/ns(標準)出力dV/dt、モータ制御用にカスタマイズ
- 高圧側および低圧側ドライバ供給電圧の安定化を図るリニアレギュレータ
- 外部調整可能なターンオンdV/dt
- 内蔵ブートストラップダイオード
- スマートシャットダウン機能が搭載された過電流検出用コンパレータ
- VCC、VHS、VLS のUVLO保護
- インターロッキング機能、シャットダウン、スタンバイ、障害ピン
- 全体的な150ns(標準)出力伝搬遅延につながる55nsゲートドライバ
- ヒステリシスおよびプルダウンが備わった3.3V ~ 20V互換入力
アプリケーション
- 家電製品
- コンプレッサ
- ポンプ
- ファン
- パーソナルケア家電
- ファクトリーオートメーション
- サーボ駆動
- 動力工具
ブロック図
公開: 2025-10-29
| 更新済み: 2026-03-11

