STMicroelectronics A6983I Iso降圧コンバータ
STMicroelectronics A6983I Iso降圧コンバータは、絶縁バックトポロジ用に特化して設計されています。A6983Iの一次出力電圧は正確な調整が可能ですが、絶縁二次出力は、所定のトランス比を使用して得られます。オプトカプラは不要です。最大4.5Aの1次シンク機能(ソフトスタート中も含む)により、2次側への適切なエネルギー伝達が可能になり、2次出力の追跡されたソフトスタートも追跡可能となります。制御ループはピーク電流モード・アーキテクチャをサポートしており、STM A6983Iは強制PWMで動作します。390nsのブランキング時間で、トランスの漏れインダクタンスによって生じる発振をフィルタリングし、より堅牢なソリューションを実現します。コンパクトなQFN-16 (3mm x 3mm)パッケージおよびA6983Iの内部補償により、設計の複雑性とサイズを最小限に抑えることができます。スイッチング周波数は、200kHz〜1MHzの範囲でプログラムでき、オプションのスペクトラム拡散によりEMCを改善できます。
特徴
- AEC-Q100準拠
- 動作温度範囲:-40°C~+150°C(Tj)
- 絶縁型降圧トポロジ向けの設計
- 動作入力電圧: 3.5V〜38V
- 最大40Vの負荷ダンプ許容差
- 1次出力電圧安定化、オプトカプラ不要
- 4.5Aソース/シンクピーク1次電流能力
- 強制PWMモードのピーク電流モードアーキテクチャ
- ブランキング時間: 390ns
- 25μA 動作時静止電流
- 200kHz〜1MHzのプログラム可能なスイッチング周波数、低ESRコンデンサでの安定、最低2µF
- 内部補償ネットワーク
- シャットダウン電流: 2µA
- ソフトスタート内蔵
- イネーブルピン
- 過電圧保護
- 出力電圧シークエンシング
- 熱保護
- EMCを改善するためのオプションのスペクトラム拡散
- パワーグッド
- 外部クロックに同期
- QFN-16(3mm x 3mm)パッケージ
アプリケーション
- 車載用絶縁型IGBT/SiC MOSFETゲート駆動電源
- HEV/EV用オンボード・チャージャ(OBC)
- 電気トラクション・システム
ブロック図
標準アプリケーション回路
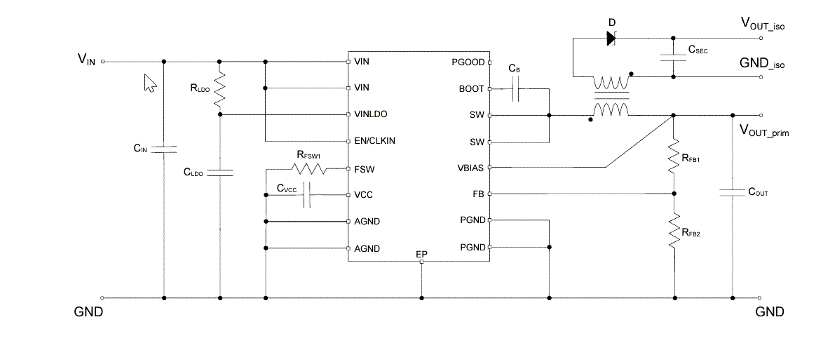
Iso降圧の一般回路図
公開: 2024-02-16
| 更新済み: 2025-03-28
