STMicroelectronics A6985F同期降圧型スイッチングレギュレータ
STMicroelectronics A6985F同期降圧型スイッチングレギュレータは、最大0.5 ADCを供給する自動車グレードデバイスです。A6985Fは、低消費モード、低ノイズモードが特徴で、0.85VからVINへの調節可能な出力電圧があります。このレギュレータは、100%デューティーサイクル機能を備えたAEC-Q100認定品で、コールドクランクおよび負荷ダンプ仕様向けの広い入力電圧範囲があります。一般的なアプリケーションには、バッテリ駆動アプリケーション、車体アプリケーションがあり、車載システム用に設計されています。特徴
- AECQ-100認定
- 0.5A DC出力電流
- 4Vから38Vの動作入力電圧
- 低消費量モードまたは低ノイズモード
- 軽負荷(LCM VOUT = 3.3V)で30μA IQ
- 8μA IQ-SHTDWN
- 出力電圧:
- 3.3Vおよび5V固定
- 0.85V~VINで調整可能
- 調節可能なfSW(250kHz~2MHz)
- 組み込み出力電圧監視機能
- 同期化
- 調節可能ソフトスタートタイミング
- 内部電流制限
- 過電圧保護
- 出力電圧シークエンシング
- ピーク電流モードアーキテクチャ
- RDSON HS = 360mΩ、RDSON LS = 150mΩ
- サーマルシャットダウン
アプリケーション
- 車載システム用
- バッテリー駆動アプリケーション
- 車体アプリケーション(LCM)
- 車載オーディオおよび低ノイズアプリケーション(LNM)
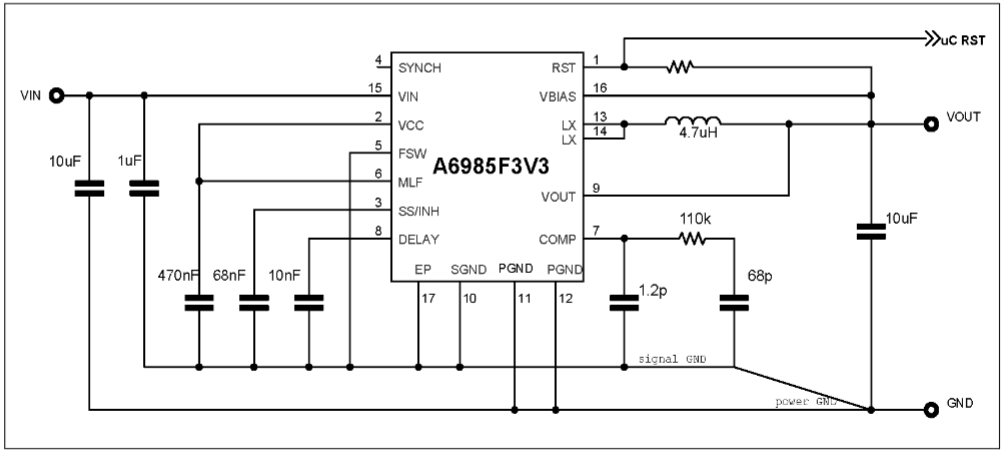
A6985Fのアプリケーション回路
公開: 2016-03-02
| 更新済み: 2022-03-11
