特徴
- 50Ω正常入力 /BluNRGデバイスに共役整合
- 低挿入損失
- 低振幅不整合
- 低位相不平衡
- 高性能RF
- RF BOM削減
- 小型フットプリント
- BALF-NRG-01D3は、BlueNRG QFNおよびウェハー・レベル・チップ・スケール・パッケージ (WLCSP) の両方に対応
アプリケーション
- バランフィルタとマッチするBluetooth Low Energyインピーダンス
- ST BlueNRG RFICに最適化
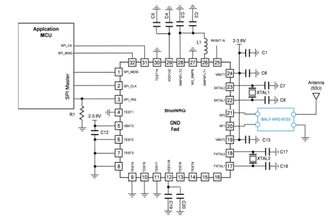
BALF-NRG-02D3のアプリケーション回路
公開: 2019-01-25
| 更新済み: 2024-01-23

