STMicroelectronics EV-VNQ9025AJ評価ボード
STMicroelectronics EV-VNQ9025AJ評価ボードは、VNQ9025AJクワッドチャネル・ハイサイドドライバを既存のシステムに接続するための簡単な方法を実現するように設計されています。本評価ボードは、VNQ9025AJドライバで組み立てられており、負荷、電源、マイクロコントローラに直接接続するための最小セットのオンボードコンポーネントのみを備えています。VNQ9025AJクワッドチャネル・ハイサイドドライバは、3Vおよび5VのCMOS互換インターフェイスを経由して12V車載用接地負荷を駆動するように設計され、保護機能と診断機能も備えています。保護機能には、低電圧シャットダウン、過電圧クランプ、負荷電流制限、接地損失とVCC 損失、静電放電があります。アプリケーションには、自動車の抵抗負荷、誘導負荷、容量負荷、およびレーダーやセンサなどのADASシステムの保護電源、P27WまたはSAE1156車載用ランプがあります。特徴
- ディープコールドクランキングアプリケーションを対象とした超低電圧動作
- 電流検出アナログフィードバック付きシングルチャネル・スマートハイサイドドライバ
- きわめて低いスタンバイ電流
- 3Vおよび5VのCMOS出力に対応
- 電流センス診断機能:
- 高精度比例カレントミラーによる負荷電流のマルチプレックスアナログフィードバック
- 過負荷および地絡(電力制限)表示
- サーマルシャットダウン表示
- オフ状態オープン負荷検出(外部プルアップ付き)
- VCC 検出に対する出力ショート
- センスイネーブル/ディセーブル
- 保護機能:
- 低電圧シャットダウン
- 過電圧クランプ
- 負荷電流制限
- 高速熱トランジェントの自己制限
- 専用フォールトリセットピンによる過温度または電力制限時のラッチオフの設定が可能
- 接地損失とVCC 損失
- セルフターンオンによるバッテリの逆流
- 静電気放電保護
アプリケーション
- 車載用の抵抗負荷、誘導負荷、容量負荷
- レーダーやセンサといったADASシステムの電源保護
- P27WまたはSAE1156車載用ランプ
評価ボード接続
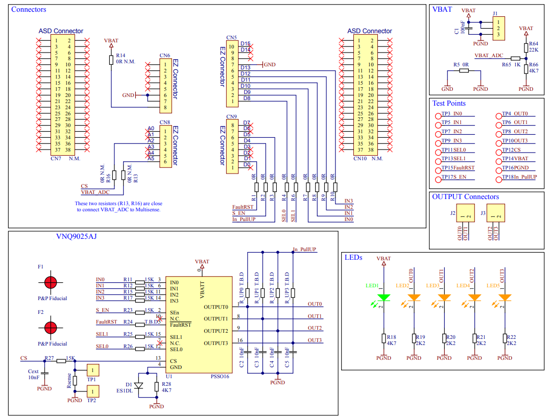
ボードの設計図
公開: 2023-05-15
| 更新済み: 2023-06-13
