STMicroelectronics EVAL-L99SM81V評価ボード
STMicroelectronics EVAL-L99SM81V評価ボードは、ストール検出のためのコイル電圧測定と共に、マイクロステッピング・モードでバイポーラ・ステッパ・モータ1台を駆動するように設計されています。この評価ボードは、マザーボードとドーターボードで構成されており、L99SM81Vステッパ・モータ・ドライバが特徴です。これらの評価ボードはどちらも電子制御モジュールを実現しており、スタンバイ・モード1つを含む強化されたパワー管理電源機能が搭載されています。このマザーボードは、SPC56マイクロコントローラに基づいており、ドーターボード上に組み立てられたL99SM81Vの監視と駆動を目的としたロジック選択を実現しています。特徴
- L99SM81Vを使用したバイポーラ・ステッパ・モータの駆動
- 専用のジャンパ構成で2つのダイオードに交換する可能性があるMOSFET逆バッテリ保護
- ISOパルス保護(はんだ付けできません)
- 特定のドーターボード・コネクタを介した一般的な12V電力供給
- モータ端子での出力コンデンサはんだ付けが可能
- ドーターボードで使用可能なL99SM81V内部5Vリニア電圧レギュレータ出力コネクタ
- このマザーボードを使用すると、専用ジャンパを使用して5V~3.3Vの間でL99SM81Vのデジタル電源を選択可能
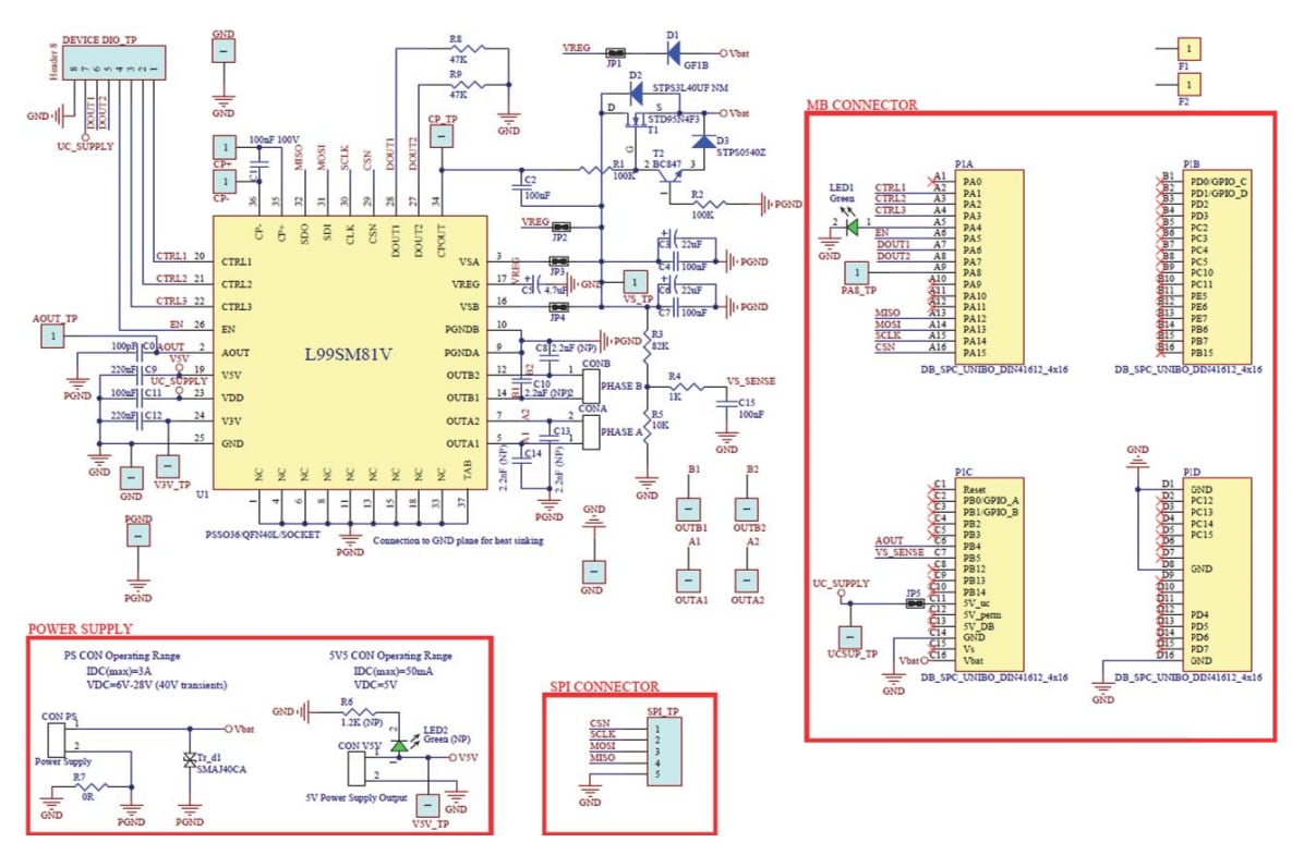
EVAL-L99SM81Vの概略図
公開: 2018-11-27
| 更新済み: 2023-02-23
