STMicroelectronics EVALSTGAP2SICSCデモボード
STMicroelectronics EVALSTGAP2SICSCデモボードは、STGAP2SICSシングルゲートドライバの迅速で簡単な評価に使用するように設計されています。STGAP2SICSシングルゲートドライバは、ゲート駆動チャンネルと低電圧制御およびインターフェイス回路の間のガルバニック絶縁を実現するシングルゲートドライバです。ゲートドライバは、4A機能およびレール-to-レール出力が特徴で、産業アプリケーションにおける電力変換やモータドライバインバータといったミッドパワーおよびハイパワー・アプリケーションに適しています。特徴
- ボード
- 最高1200Vまでの高電圧レール
- 負のゲート駆動
- VAUX = 5Vで給電され、最大絶縁が5.2kVの高圧側および低圧側ゲートドライバに供給するオンボード絶縁DC-DCコンバータ
- オンボードまたは5V(外部で印加)で生成された3.3V VDDロジック供給
- +17/0V、+17/-3V、+19/0V、+19/-3Vの駆動電圧構成の簡単なジャンパ選択
- デバイス
- 4Aソース/シンク @ 25°Cドライバ電流機能
- 6000Vガルバニック絶縁
- 75nsという短い伝播遅延
- UVLO機能
- 最大26Vのゲート駆動電圧
- ヒステリシスで3.3V、5V TTL/CMOS入力
- 温度シャットダウン保護
- スタンバイ機能
- 4AミラーCLAMP
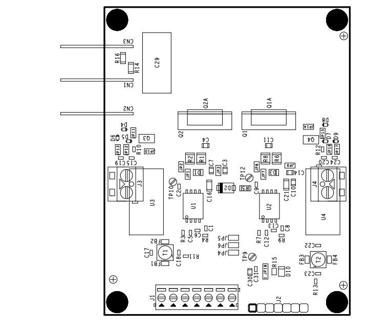
ボード・レイアウト
公開: 2020-12-08
| 更新済み: 2024-12-30
