STM L6982同期降圧コンバータには、低消費モード(LCM)および低ノイズモード(LNM)の両方の型式があります。LCMは、出力電力リップルを制御することによって軽負荷時の効率性を最大限に高めるため、デバイスはバッテリ駆動アプリケーションに最適です。LNMによってスイッチング周波数が一定になり、軽負荷動作のための出力電圧リップルが最小限に抑えられ、低ノイズが重視されるアプリケーションの仕様に適合できます。
L6982にはピーク電流モードアーキテクチャがあり、内部補償があるSO-8Lパッケージで販売されており、設計の複雑性と機器のサイズが最小限に抑えられています。
特徴
- 動作入力電圧:3.5V~38V
- 出力電圧0.85V~VIN
- 2A DC出力電流
- 内部補償ネットワーク
- 2種類の型式: 軽負荷での高効率を目的としたLCM、ノイズに敏感なアプリケーション用のLNM
- 2uAシャットダウン電流
- ソフトスタート内蔵
- イネーブル
- 過電圧保護
- 出力電圧シークエンシング
- 熱保護
- LNMデバイスを対象とした外部クロックに同期
- SO 8Lパッケージ
アプリケーション
- 24Vバス産業電力システム向けに設計済
- 24Vバッテリ駆動機器
- 分散されたインテリジェント・ノード
- センサと常時ONアプリケーション
- 低ノイズアプリケーション
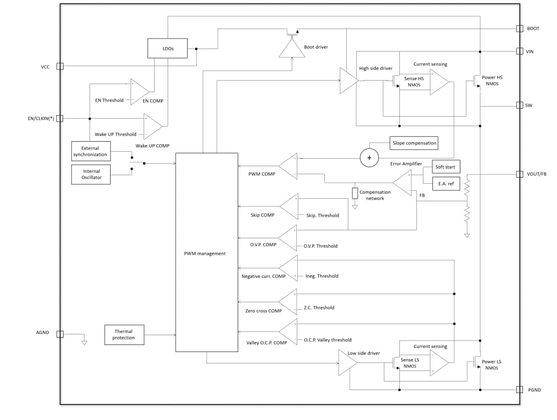
ブロック図
基本アプリケーション(調整式)
ビデオ
公開: 2021-04-29
| 更新済み: 2023-01-24

