STMicroelectronics L99H02 Hブリッジ・ゲートドライバ
STMicroelectronics L99H02 Hブリッジ・ゲートドライバは、車載アプリケーションでのDCモーター駆動を目的に、Hブリッジ構成において外部NチャンネルMOSトランジスタ 4個を駆動するように設計されています。STMicroelectronics L99H02は、フリー構成に対応した電流センスアンプを集積しています。スタンダードの統合シリアル・ペリフェラル・インターフェイス(SPI)は、デバイスを制御し診断情報を提供します。また、外部MOSFETの熱センサ用にインターフェイスピンを実装しています。特徴
- AEC-Q100認定を取得済
- 動作電源電圧6V~28V
- 中央2段チャージポンプ
- 100%デューティサイクル
- 最低6Vまでの完全RDSon(スタンダードレベル閾値MOSFET)
- チャージポンプ出力は、外付け逆方向バッテリNMOSFET保護の駆動に使用できます。
- チャージポンプ電流の制限あり
- 30kHzまでのPWM動作
- SPIインターフェイス
- 電流センスアンプ/フリー構成対応
- 行末トリミングのゼロ調整
- パワーマネジメント:プログラマブル・フリーホイーリング
- 熱センサを組み込んだ外部MOSFETのセンシング回路
アプリケーション
- ワイパー
- 電動ドア
- シートベルトテンショナ
- 座席の位置決め
- バルブトロニック
- パーキングブレーキ
- 2Hモーター
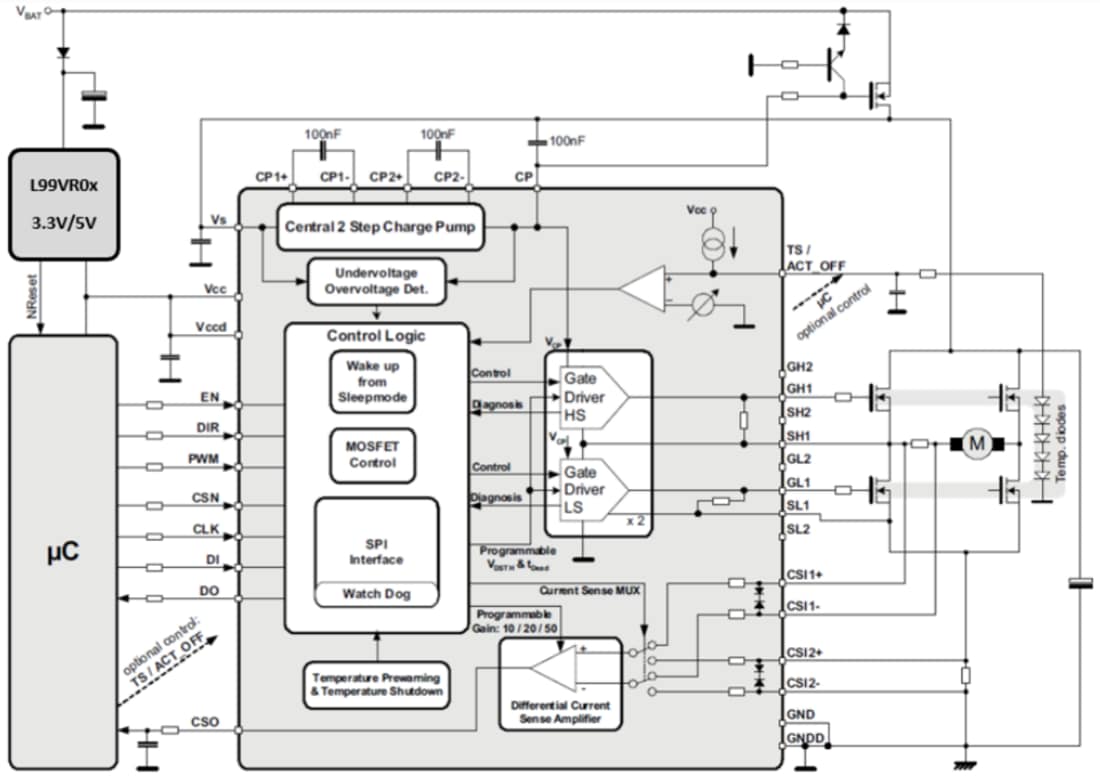
ブロック図
公開: 2021-10-29
| 更新済み: 2023-01-06
