特徴
- AEC-Q100認定
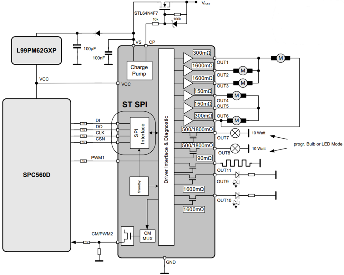
- 6A負荷(RDSon = 150mΩ)向けのハーフブリッジ2台
- 3A負荷(RDSon = 300mΩ)向けのハーフブリッジ2台
- 0.75A負荷(RDSon = 1600mΩ)向けのハーフブリッジ2台
- 6A負荷(RDSon = 90mΩ)向け高圧側ドライバ1台
- 最大1.5A負荷(RDSon = 500mΩ)または0.4A負荷(RDSON = 1800mΩ)向けの構成式高圧側ドライバ2台
- 0.5A負荷(RDSon = 1600mΩ)向け高圧側ドライバ2台
- 電流制限値としてさらなる高突入電流をともなって負荷を駆動するためのプログラマブル・ソフトスタート機能
- 待機モードでの非常に低い電流消費(IS < 6μA(標準); Tj≤85°C; ICC < 5μA(標準); Tj≤85°C)
- すべてのハイサイドドライバを対象とした電流モニタ出力
- デバイスに温度警告と保護機能を搭載
- すべての出力のためのオープン負荷検出
- すべての出力のための過電流保護
- すべての出力のPWM制御
- 逆極性保護を目的とした充電ポンプ出力
- ST標準シリアル・ペリフェラル・インターフェイス(ST-SPI 3.0)
アプリケーション
- 電球/LEDといった高圧側構成での追加負荷、あるいはセンサやカメラのような保護電源を必要とする複数のモータ制御
ブロック図
公開: 2019-12-04
| 更新済み: 2024-02-19

