STMicroelectronics LDK130P DFN-6L低ドロップ電圧レギュレーター
STマイクロエレクトロニクスのLDK130P DFN-6L低ドロップ電圧レギュレーターは、100mVの標準ドロップアウト電圧で、1.9V~5.5Vの入力電源電圧から最大300mAの電流を供給します。このデバイスは、出力にセラミック コンデンサーを使用することで安定化されています。ドロップ電圧が非常に低い、無信号時消費電流が小さい、低ノイズであるという特長を持つこのレギュレーターは、低消費電力のバッテリ電源アプリケーションに適したデバイスとなっています。イネーブル ロジック制御機能は、LDK130Pをシャットダウン モードにして合計消費電流を1μA未満に抑えます。このデバイスには、短絡定電流制限機能と熱保護機能も含まれています。特徴
- Input voltage from 1.9V to 5.5V
- Very low dropout voltage (100mV typ. at 100mA load)
- Low quiescent current (max. 120μA, 1μA in OFF mode)
- Very low noise
- Output voltage tolerance: ± 2.0% @ 25°C
- 300mA guaranteed output current
- Wide range of fixed output voltages available on request from 0.8V to 3.5V with 100mV step
- Adjustable version: from 0.8V to VIN to Vdrop
- Logic-controlled electronic shutdown
- Compatible with ceramic capacitor COUT = 1μF
- Internal current and thermal limit
- Temperature range: -40°C to +125°C
アプリケーション
- Smartphones
- Tablets
- Cordless phones and similar battery-powered systems
- Digital still cameras
Block Diagram
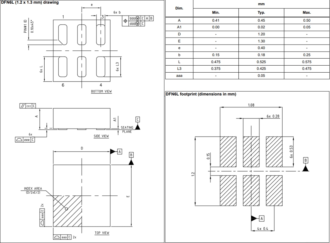
Package Outline
公開: 2014-04-21
| 更新済み: 2024-04-23
