STMicroelectronics LM2902B低消費電力クワッドオペレーショナルアンプ
STMicroelectronics LM2902B低消費電力クワッドオペレーショナルアンプ(オペアンプ)は、車載および産業用制御システムを対象に特別に設計されています。これらの4つの独立した高ゲインアンプには、内部に周波数補償が実装されています。LM2902B低消費電力クワッドオペレーショナルアンプには、最大36Vの動作供給電圧、1.2MHzの広い帯域幅(ユニティゲイン)、100dBの大DC電圧ゲインがあります。これらのアンプはAEC-Q100の認定を受けており、広範な電圧全体で単電源での動作が可能です。LM2902B低消費電力クワッドオペレーショナルアンプは、テレコム機器、パワーマネジメント、工業アプリケーションで使用されています。特徴
- 最高36Vまでの動作電源電圧
- 内部で実装された周波数補償
- 供給電流/アンプが極めて小さい、本質的に独立した電源電圧
- 1.2MHz(温度補償済)ワイド帯域幅(ユニティゲイン)
- 20nA(温度補償済)小入力バイアス電流
- ±40V差動入力電圧
- 負のレールを含む入力コモンモード電圧範囲
- 電源電圧に等しい差動入力電圧範囲
- AEC-Q100認定を取得済
- 100dB高DC電圧利得
- 2nA小入力オフセット電流
- 高出力スイング0V~VCC -1.5V
- 最大接合部温度: 150°C
アプリケーション
- 通信装置
- 電源管理
- 産業
- 車載用
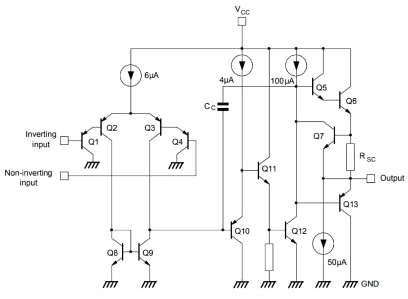
スキーム図
公開: 2022-03-07
| 更新済み: 2022-05-31
