STMicroelectronics LM2904B低消費電力デュアルオペレーショナルアンプ
STMicroelectronics LM2904B低消費電力デュアルオペレーショナルアンプは、独立した高利得のオペレーショナルアンプ(OPアンプ)2個で構成されており、これらのOPアンプには内部に周波数補償が実装されています。車載および産業用制御システム向けに特別に設計されています。この回路は、広い電圧範囲全域にわたって単電源で動作します。STMicroelectronics LM2904Bは、最高36Vまでの電源電圧動作が保証されています。低電源ドレインは、電源電圧の大きさとは無関係です。アプリケーション領域には、トランスデューサアンプ、DCゲインブロック、従来のOPアンプ回路があり、現在ではこれらを単電源システムにさらに簡単に実装できるようになっています。これらの回路は、直接ロジックシステムに使用される標準的な5Vから給電できます。電源をの追加を一切必要とせずに、必要な電子インターフェイスを迅速に実現できます。リニアモードでは、入力コモンモード電圧範囲に接地が含まれ、単電源からの動作であっても出力電圧は接地へスイングすることもできます。特徴
- 最高36Vまでの動作電源電圧
- 周波数補償を内部に実装
- 100dB高DC電圧利得
- 1.2MHz(温度補償済)ワイド帯域幅(ユニティゲイン)
- 供給電流/アンプが極めて小さい、本質的に独立した電源電圧
- 20nA(温度補償済)小入力バイアス電流
- 2nA小入力オフセット電流
- 負のレールを含む入力コモンモード電圧範囲
- 電源電圧に等しい差動入力電圧範囲
- 高出力電圧スイング0V~VCC -1.5V
アプリケーション
- 通信装置
- パワーマネジメント
- 産業アプリケーション
- 車載
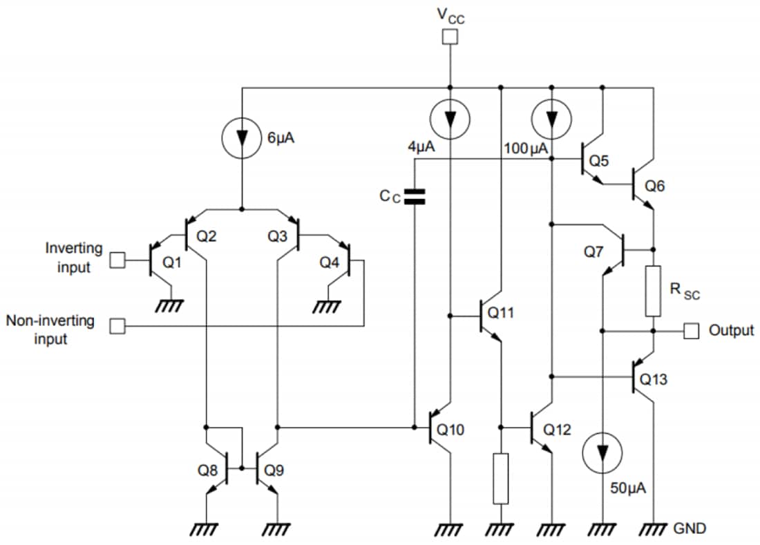
回路図
公開: 2021-07-27
| 更新済み: 2022-03-11
