このドライバには、各出力用の専用入力ピン、シャットダウンピン、最低3.3VまでのCMOS/TTL互換ロジック入力があり、簡単なインターフェイス接続が保証されます。ローサイドとハイサイドセクションの間の整合遅延によって、歪みのない高周波数動作が可能になります。堅牢性は、インターロッキングとデッドタイム機能、過負荷と過電流用のスマートシャットダウンのような高度保護機能によって保証されています。両側のUVLO保護によって、低効率または危険な状態を防止し、フェイルセーフ動作が保証されます。統合ブートストラップダイオードおよびその他の機能によって、プリント基板(PCB)レイアウトが簡素化され、全体的なコストを削減できます。このドライバは、12mm x 12mm x 0.95mmのコンパクトなVFQFPN パッケージに格納されています。
特徴
- 1個のゲート・ドライバと高電圧パワーMOSFETRDS(on) = 1.38Ωを統合したパワードライバ
- BVDSS = 500V
- 9V ~ 20Vの広い入力電源電圧範囲
- ゼロドロップ・ブートストラップ・ダイオード内蔵
- スマートシャットダウン機能が搭載された高速過電流保護用コンパレータ
- 温度過昇保護
- ヒステリシスで3.3V、5V TTL/CMOS入力
- 全チャンネルに対して伝搬遅延をマッチング
- ローサイドおよびハイサイドでのUVLO機能
- インターロッキングとデッドタイム機能
- 個別のイネーブル・ピン
- 非常にコンパクトで簡素なレイアウト
アプリケーション
- 3-phaseインバーター
- ファン、ポンプ
- 家庭用および産業用アプリケーション
- 冷蔵庫用コンプレッサ
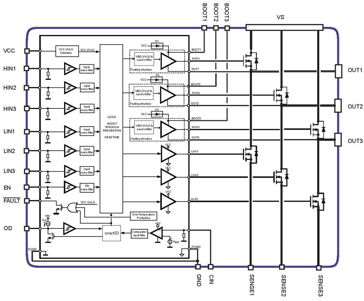
ブロック図
ビデオ
その他のリソース
- UM3042 STM32モーター制御SDK -6ステップFirmWareライブラリ
- AN6060 VIPower M0-9モータドライバ(車載DCモーター制御用)
- 電気モータの紹介
- 高性能、3相モーターコントローラ (STM32G4 MCU搭載)
- STSPIN32 -高電圧3相モーターコントローラ(組み込みSTM32 MCU搭載)
- STSPINモータードライバ
- モーター制御のリファレンスガイド
- 産業用アプリケーションモータードライバIC
- スマート業界向け製品・ソリューション
- STM32 Nucleo拡張ボードモーター制御選択ガイド
- STSPINモータ制御:ブラシレス直流モータ制御の設計上の考慮事項
公開: 2024-05-30
| 更新済み: 2024-11-15

