STMicroelectronics S2-LPCBQTR Sub-1GHzトランシーバ
STMicroelectronics S2-LPCBQTR Sub-1GHzトランシーバは、高性能、超低消費電力RFトランシーバで、452MHz~527MHzの周波数範囲で動作するように設計されています。このS2-LPCBQTRトランシーバは、2(G)FSK、4(G)FSK、OOK、ASK変調方式をサポートしています。S2-LPCBQTRトランシーバは、0.1kbps~500kbpsのプログラマブル無線データ速度、145dB以上のRFリンク・バジェット、プログラマブルRXデジタル・フィルタ、超低電力消費が特徴です。このS2-LPCBQTRトランシーバは、チャンネル間隔が最低1kHzまでのシステムに有用で、狭帯域動作が可能です。一般的なアプリケーションには、クラウドへのセンサ、スマート計測、ホームエネルギー管理システム、ワイヤレス警報システム、スマートホーム、ビルオートメーション、スマート照明システムがあります。特徴
- 周波数帯:
- 452MHz~527MHz
- 904MHz~1055MHz
- 変調方式:
- 2(G)FSK、4(G)FSK
- OOKおよびASK
- エアデータレート: 0.1kbps~500kbps
- 超低消費電力:
- 7mA RX
- 10mA TX @ + 10dBm
- 最低-130dBmまでのレシーバ感度
- 優れたレシーバ選択性とブロッキング
- プログラマブル:
- 最大+16dBmのRF出力電力
- RXデジタル・フィルタ
- チャンネル・スペーシング
- 4線式SPIインターフェイス
- 高速起動および周波数合成器の整定時間
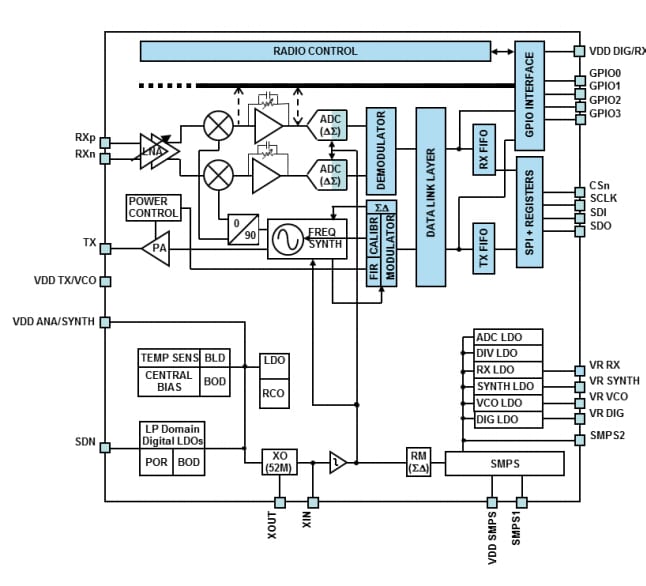
S2-LPCBQTRのブロック図
ビデオ
Content Stream
公開: 2018-08-02
| 更新済み: 2023-02-13
