STMicroelectronics ST-ONEデジタルコントローラ
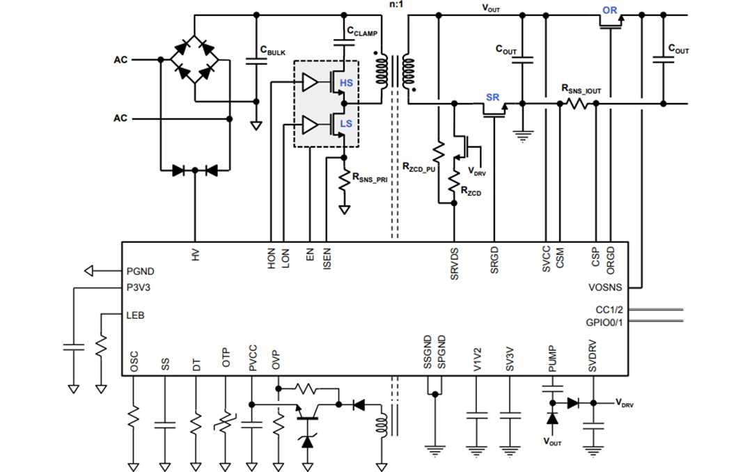
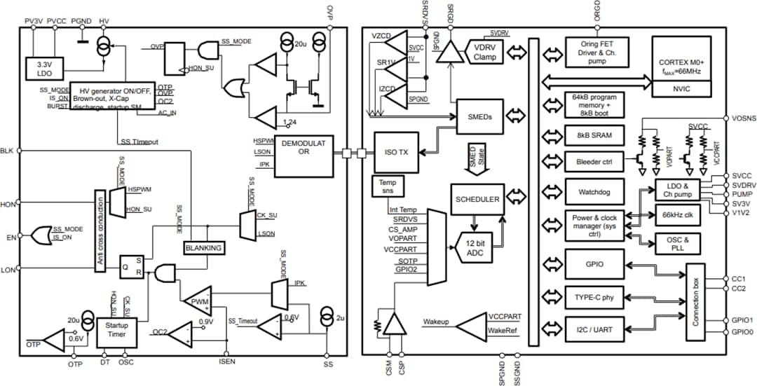
STMicroelectronics のST-ONEデジタルコントローラは、ARM Cortex M0+コア、オフラインプログラム可能コントローラ、およびUSB PD PHYを1つのパッケージに統合しています。このシステム は、ZVS非対称アクティブクランプフライバックコンバータを制御するように設計されています。これによって、USB-PDインターフェイスが搭載された高電力密度バッテリ充電器およびアダプタが作成されます。 このデバイスには、アクティブクランプフライバックコントローラとそのプライマリ側でのHV起動が含まれています。また、セカンダリ側での変換とUSB-PD通信を制御するために必要なマイクロコントローラおよびすべてのペリフェラルが統合されています。一次側および二次側の両方の接続は、組み込みガルバニック絶縁デュアル通信チャネル経由で実施します。STMicroelectronics のST-ONEデジタルコントローラは、コンパクトなSSOP-36パッケージに収められており、スペースに制約のあるアプリケーションに最適です。ST-ONEHPは、高電力密度のUSB-PD 3.1 EPR準拠の充電器とアダプタを制御するように特別に設計されています。これらのデジタルコントローラには、電力変換およびUSB-PD 3.1 EPR通信プロトコルの両方に対処できるファームウェアが予め組み込まれています。
特徴
- 非補完型アクティブ・クランプ・フライバック・トポロジにより、QRフライバックに関しては、より高効率で高出力(65W以上)に到達可能
- 高出力
- 高周波での動作とGaNFETの使用により磁気部品の小型化を実現可能
- 軽量で小型
- 全体的なBOMの削減を実現する高レベルの集積
- 64Kb組み込みフラッシュが搭載されたCortex-M0+コアを使用して、USB-PDプロトコルと電力変換段の両方をカスタマイズ可能
- カスタマイズが簡単
- ST-ONEには、スタンダードのアプリケーションを対象としたターンキーソリューションであるフラッシュメモリにプリロードされたUSB-PD3.1PPS認証済ファームウェアが付属しています。
- パッケージ SSOP-36
アプリケーション
- 最大100WまでのUSB-PD充電器とアダプタ
- スマートフォン
- タブレット
- ラップトップ
- ハンドヘルド装置
ブロック図
標準的なアプリケーション図
パッケージ外形
公開: 2022-06-02
| 更新済み: 2024-01-31
