STMicroelectronics STEVAL-3601CV1評価ボード
STMicroelectronics STEVAL-3601CV1 評価ボードは、DCP3601CMR 同期降圧型コンバータが特徴で、ピーク電流制御と高度設計回路を強化できます。このボードは、出力電圧5Vをともなって入力範囲3.3V ~ 36Vから最大1Aまでの出力電流を供給するスマートコンバータ設計を実証します。STEVAL-3601CV1 評価ボードには、固定スイッチング周波数1MHz、ピーク電流モード制御、内部補償ネットワークが搭載されています。この評価ボードは、WEEEおよびRoHSに準拠しています。代表的なアプリケーションには、主要な家電製品、スマートメータリング、産業用24Vバス変換、汎用ワイドVin電源での電力変換ソリューションがあります。特徴
- DCP3601CMR ミニチュア同期降圧型コンバータが特徴
- 入力自己消費電流:110µA
- 固定スイッチング周波数:1MHz
- 入力動作電圧範囲: 3.3V ~ 36V
- 出力電圧: 5V
- 同期整流
- 内部補償ネットワーク
- ピーク電流モード制御
- 高精度イネーブル
- WEEEおよびRoHS準拠
アプリケーション
- 主要な家電製品での電力変換ソリューション
- スマートメータリング
- 産業用24Vバス変換
- 汎用ワイドVIN電源
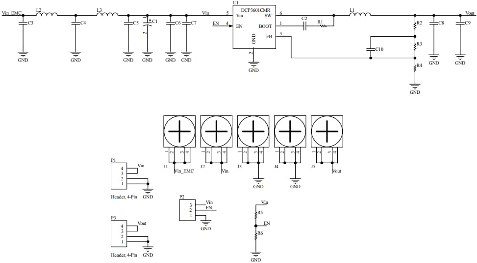
スキーム図
公開: 2024-12-09
| 更新済み: 2026-03-17
