STMicroelectronics STEVAL-IHM029V2ユニバーサルモーター制御評価ボード
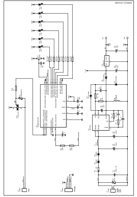
STMicroelectronicsのSTEVAL-IHM029V2 ユニバーサルモーター制御評価ボードは、掃除機、フードプロセッサおよび電気工具に特に焦点を当て、家庭用電気製品市場向けに設計されています。このシステムは、16MHz(ユーザトリマブルな内部RCクロック)で稼働し、20ピン8ビットのマイクロコントローラ機能が特徴です。また、4KBのフラッシュメモリー、10ビットA/Dコンバータ、8/16ビットタイマー、通信インターフェース、640バイトのE2PROMも内蔵されています。電源回路はVIPer16Lの機能が特徴です。これは、オフラインコンバータで、800Vのアバランシェラグドパワーセクションを搭載し、60kHzで稼働します。特徴
- 90VAC to 265VAC, 50Hz/60Hz input voltage range
- 12VDC/5VDC auxiliary power supply based on the VIPer16L in buck converter topology
- Total power consumption below 300mW in standby mode
- Maximum output power: 1500W
- 20-pin, 8-bit STM8S103F2 MCU as main controller
- Employs zero-voltage switching (ZVS) to synchronize MCU events with the voltage mains
- Motor driven by T1235T Triac in phase-angle control
- 5 power levels and standby mode selectable by potentiometer
- 5 LEDs to display the power level of the board
- "RUN" LED to indicate the board is functioning
- Standard in-circuit programming connector
- IEC 61000-4-4 pre-compliance test passed (burst up to 8kV)
- IEC 61000-4-5 pre-compliance test passed (surge up to 2kV)
- RoHS compliant
Circuit Schematic
公開: 2015-02-18
| 更新済み: 2022-03-11
