STMicroelectronics STEVAL-ISA183V1評価ボード

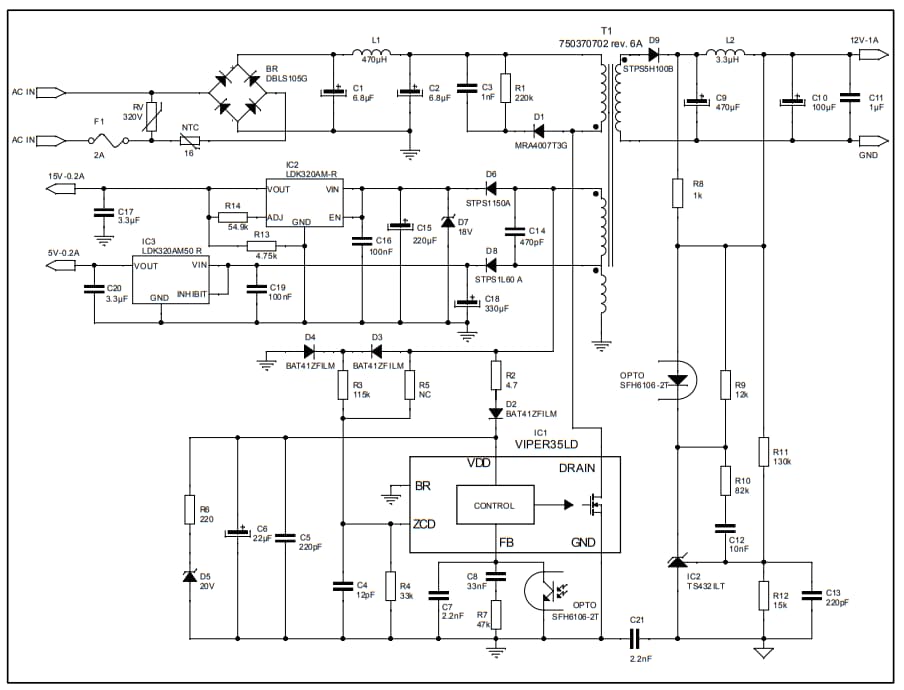
STMicroelectronics STEVAL-ISA183V1評価ボードは、Quasi-resonantフライバックトポロジ16Wトリプル出力電源を使用しており、補助PSU空調アプリケーション用として設計されています。STEVAL-ISA183V1には、VIPer35LD VIPerPlus製品ファミリからの高電圧コンバータが使用されます。コンバータは、800Vの頑丈なパワーMOSFETを、Quasi-resonant PWM制御と組み合わせています。

仕様

  • トリプル出力電圧:
    • 12V/1A(絶縁)、15V/200mA(非絶縁)、5V/200mA(非絶縁)
  • 低負荷状態での高性能:
    • 無負荷状態で<50mW
    • 最小動作出力電力(0.91W)での<1.5W最低電
  • 175VAC~275VACメイン入力電圧範囲
  • フル負荷での>81%効率性
  • EN55022-Class-B EMI
  • RoHS準拠

STEVAL-ISA183V1のスキーム図

回路図 - STMicroelectronics STEVAL-ISA183V1評価ボード
公開: 2017-06-16 | 更新済み: 2022-06-13