STMicroelectronics STEVAL-MIC003V1ドーターボード

STMicroelectronics STEVAL-MIC003V1ドーターボードは、X-NUCLEO-CCA02M1拡張ボードと連動して使用するように設計されています。このドーターボードは、4 x IMP34DT05トップポート・デジタルMEMSマイクとPDMシングルビット出力が特徴です。STEVAL-MIC003V1ドーターボードには、無指向性感度および122.5dBSPL音響過負荷ポイントが搭載されています。このドーターボードは、1.6V~3.2V供給電圧範囲で動作します。

特徴

  • PDMシングルビット出力
  • RoHS準拠
  • X-NUCLEO-CCA02M1と併用するドーターボード
  • 全方向感度
  • 4 x IMP34DT05トップポート・デジタルMEMSマイク

仕様

  • 1.6V~3.6V供給電圧範囲
  • SNR: 64dB
  • 音響過負荷ポイント: 122.5dBSPL
  • -26bBFS ±3dB感度

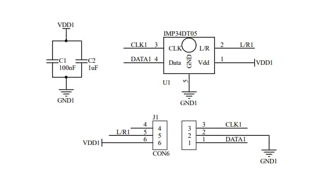
回路図

回路図 - STMicroelectronics STEVAL-MIC003V1ドーターボード
公開: 2020-08-26 | 更新済み: 2025-01-13