STMicroelectronics STEVAL-MKI174V1 LIS2DS12アダプタ・ボード

STMicroelectronics STEVAL-MKI174V1 LIS2DS12アダプタ・ボードは、LIS2DS12マイクロ電気機械システム(MEMS)デバイスを評価します。このアダプタ・ボードは、標準のDIL24ソケットに接続できます。STEVAL-MKI174V1アダプタ・ボードは、完全なピンIIS2MDC配列を実現しており、必要なデカップリングコンデンサをVDD電源ラインですぐに使用できるようになっています。

特徴

  • 標準DIL24ソケット用の完全LIS2DS12ピンアウト
  • STEVALMKI109V3マザーボードとの完全な互換性あり
  • RoHS準拠

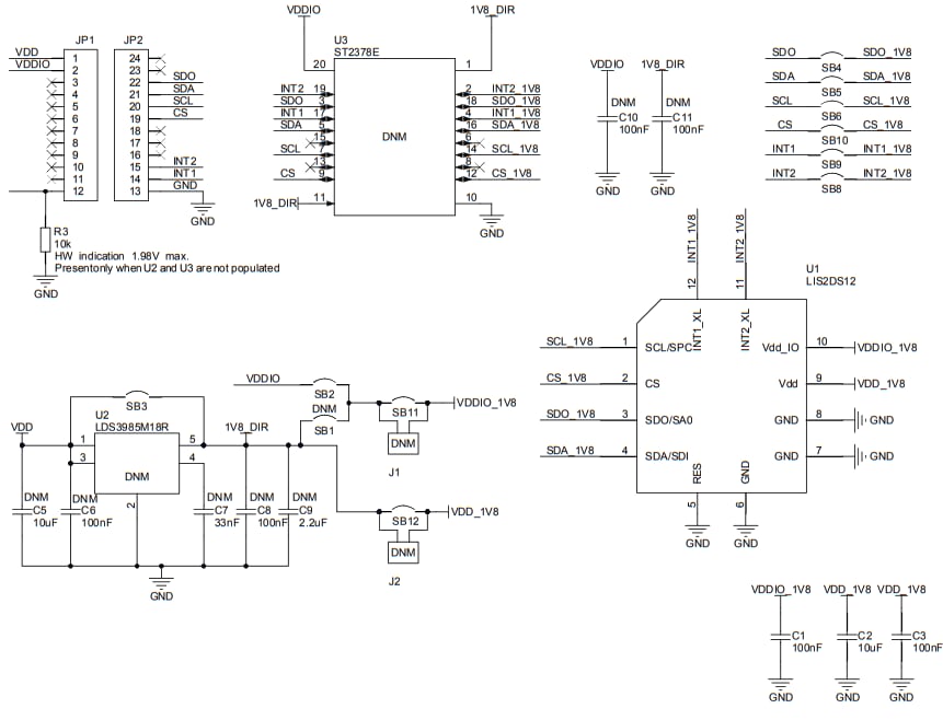
STEVAL-MKI174V1の回路図

回路図 - STMicroelectronics STEVAL-MKI174V1 LIS2DS12アダプタ・ボード
公開: 2018-09-11 | 更新済み: 2023-02-20