STMicroelectronics STEVAL-MKI175V1 LIS2DE12アダプタ・ボード
STMicroelectronics STEVAL-MKI175V1 LIS2DHアダプタ・ボードは、LIS2DE12マイクロ電気機械システム(MEMS)の評価を促進します。このボードは、システムの試作品を迅速に製作したり、アプリケーション内部のデバイスを直接評価したりするための効果的なソリューションです。STEVAL-MKI175V1ボードは、標準規格のDIL24ソケットに接続できます。このアダプタボードは、完全なLIS2DE12ピン配列になっており、VDD電力供給ラインで必要となるデカップリングコンデンサと共にすぐに使用できます。特徴
- 標準DIL24ソケット用の完全LIS2DE12ピンアウト
- STEVAL-MKI109V2マおよびSTEVAL-MKI109V3ザーボードとの完全な互換性あり
- RoHS準拠
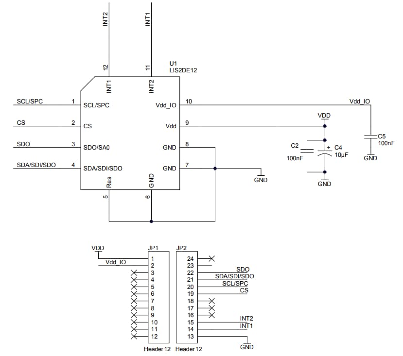
STEVAL-MKI175V1の回路図
公開: 2018-09-12
| 更新済み: 2023-02-20
