STMicroelectronics STEVAL-MKI202V1K温度プローブキット

STMicroelectronics STEVAL-MKI202V1K温度プローブキットは、STEVAL-MKIGIBV1アダプタボードにフラットケーブルで接続されたSTDS75温度センサが搭載されているプローブで構成されています。このボードは、STEVAL-MKI109V3とインターフェイス接続できます。また、パッケージ寸法が小さいおかげで、非常に薄いプローブに取り付けできます。これによって、他の電子部品やボードが発する熱に左右されずに温度を読み取ることができます。

特徴

  • 使いやすいSTDS75ボード
  • DIL 24標準ソケット用の完全STDS75ピン配列
  • STEVAL-MKI109V3マザーボードとの完全な互換性あり
  • RoHS準拠
  • WEEE準拠

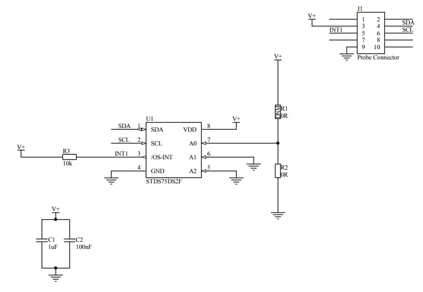
回路図

回路図 - STMicroelectronics STEVAL-MKI202V1K温度プローブキット
公開: 2019-04-09 | 更新済み: 2024-02-16