STMicroelectronics STEVAL-MKI204V1K温度プローブキット
STMicroelectronics STEVAL-MKI204V1K温度プローブキットは、STEVAL-MKIGIBV1アダプタボードにフラットケーブルで接続されたSTLM75温度センサが搭載されているプローブで構成されています。このキットは、STEVAL-MKI109V3マザーボードとインターフェイス接続できます。このデバイスは、パッケージ寸法が小さいおかげで、非常に薄いプローブに取り付けできます。これによって、他の電子部品やボードが発する熱に左右されずに温度を読み取ることができます。STEVAL-MKIGIBV1は、標準規格のDIL24ソケットに接続できます。特徴
- 使いやすいSTLM75ボード
- DIL 24標準ソケット用の完全STLM75ピン配列
- STEVAL-MKI109V3マザーボードとの完全な互換性あり
- RoHS準拠
- WEEE準拠
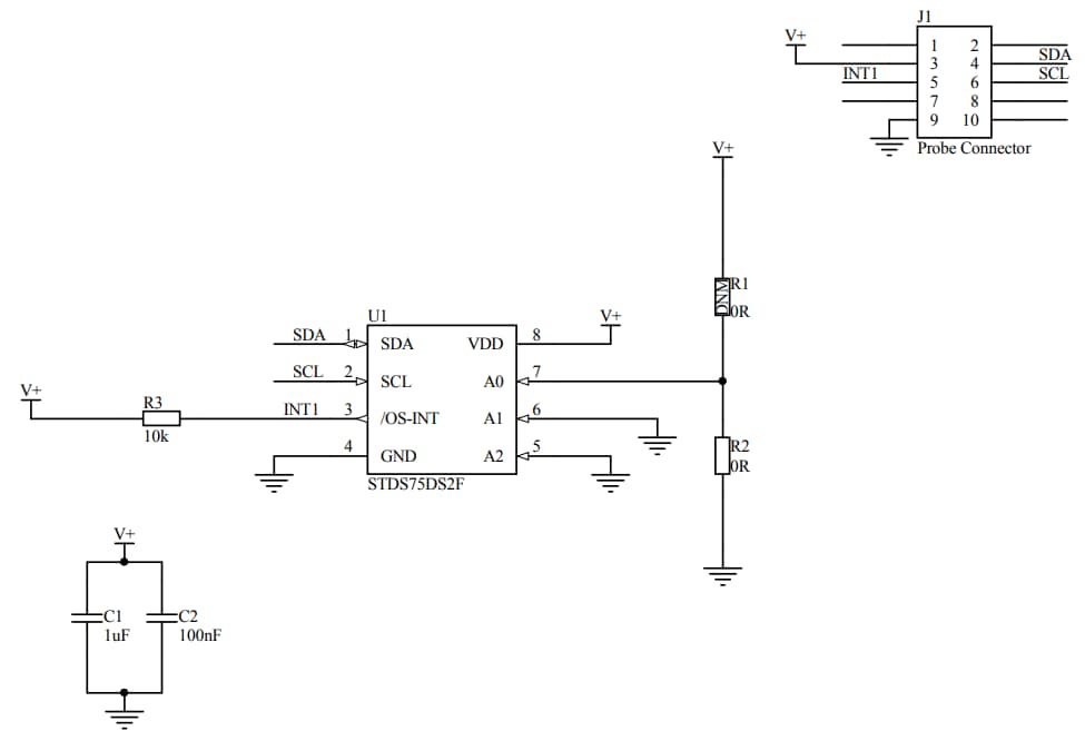
回路図
公開: 2019-04-09
| 更新済み: 2024-02-16
