IIS2ICLXセンサは、ボードの中央に正確にはんだ付けされており、両面接着剤が含まれているため、振動解析用の機器にボードを取り付けることができます。あるいは、PCBの各角にある穴を使用してボードを取り付けることもできます。
STM STEVAL-MKI209V1K評価キットには、完全なIIS2ICLXピン配列があり、VDD電源ラインに必要なデカップリングコンデンサですぐに使用できます。
アダプタボードは、STEVAL-MKI109V3マザーボードによってサポートされており、センサとPCの間のブリッジとしての機能を特徴とする高性能32ビット・マイクロコントローラが搭載されています。この接続によって、ダウンロード可能なグラフィカルユーザインターフェース(Unico GUI)やカスタムアプリケーション向け専用ソフトウェアルーチンを使用できるようになります。
特徴
- STEVAL-MKI109V3マザーボードに完全に互換
- RoHS準拠
アプリケーション
- スマートなモノのためのIoT
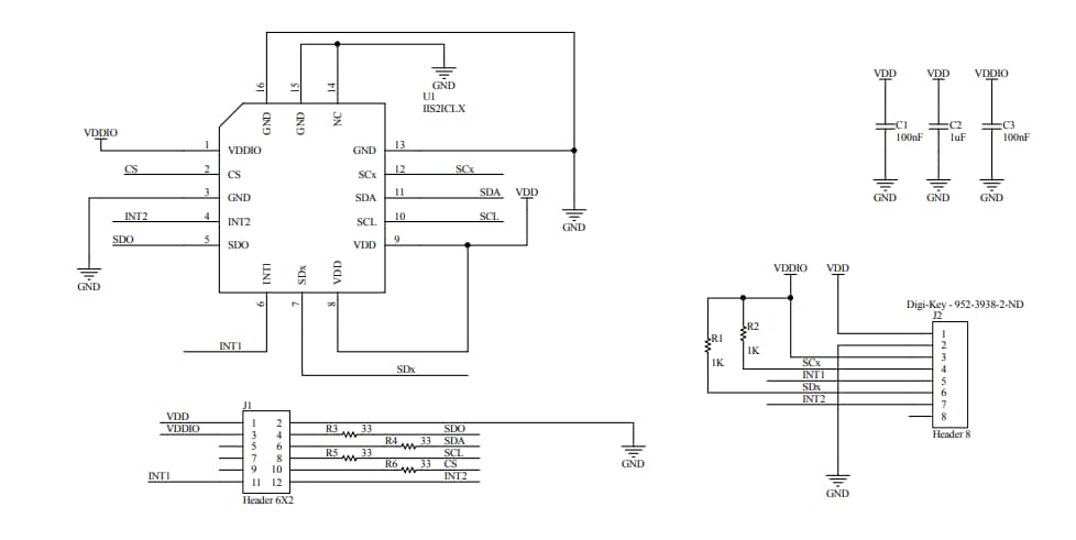
回路図
公開: 2020-07-14
| 更新済み: 2025-01-15

