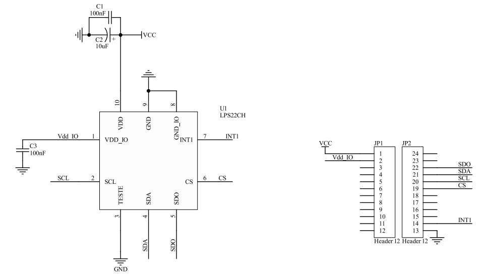
STM STEVAL-MKI219V1アダプタボードには、完全LPS22CHピン配列があり、VDD電源線に必要なデカップリングコンデンサが搭載された状態ですぐに使用できます。
STEVAL-MKI109V3マザーボードは、センサーとPCの間でブリッジとして機能する高性能32ビット対応マイクロコントローラが搭載されたアダプタボードをサポートしています。ダウンロード可能なグラフィカル・ユーザー・インターフェイス(UnicoGUI)または専用のソフトウェアルーティンは、PCからのアプリケーションのカスタマイズに使用できます。
特徴
- 標準DIL 24ソケットの完全LPS22CHピン配列
- STEVAL-MKI109V3マザーボードに完全に互換
- RoHS準拠
回路図
公開: 2021-02-26
| 更新済み: 2022-04-19

