STM STEVAL-MKI224V1 LPS22DFアダプタボードは、標準DIL24ソケットにプラグ接続し、完全な LPS22DF ピン配列を提供します。ボードは、VDD 電源ラインに必要なデカップリング・コンデンサと共にすぐに使用できます。
アダプタボードはセンサとPC間のブリッジとして機能する高性能32ビットマイクロコントローラを含む STEVAL-MKI109V3マザーボードによってサポートされます。ユーザーは、ダウンロード可能なグラフィカルユーザーインターフェイス(Unico-GUI)またはカスタマイズされたアプリケーション専用のソフトウェアルーチンを選択できます。STEVAL-MKI224V1アダプタボードは、Unicleo-GUIを使用して X-NUCLEO-IKS01A3拡張ボードに接続するのに最適です。
特徴
- 標準DIL24ソケット用の完全な LPS22DF ピン配列
- STEVAL-MKI109V3マザーボード との完全な互換性
- RoHS準拠
概要
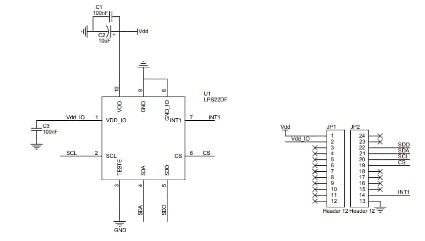
回路図
公開: 2022-03-11
| 更新済み: 2024-04-26

