STMicroelectronics STEVAL-MKI238Aアダプタボード
STMicroelectronics STEVAL-MKI238Aアダプタボードを使用すると、LIS2DUX12 MEMSデバイスの評価を実施できます。LIS2DUX12超低消費電力加速度センサは、スマートなデジタル3軸リニア加速度センサです。STEVAL-MKI238Aボードは、ユーザーの’アプリケーション内での高速システム・プロトタイピングと直接デバイス評価に対応します。STEVAL-MKI238Aは、標準のDIL 24ソケットに差し込みます。ボードは、完全機能のLIS2DUX12ピン配置を備え、VDD電源ラインに必要なデカップリングコンデンサを組み込んでいます。STEVAL-MKI109V3マザーボードは、アダプタに完全対応しており、高性能32ビットマイクロコントローラ(MCU)が含まれています。MCUは、センサとPC間のブリッジとして機能します。これによって、ダウンロード可能なグラフィカルユーザインターフェース(Unico-GUI)やカスタムアプリケーション向け専用ソフトウェアルーチンを使用できるようになります。
STM STEVAL-MKI238Aアダプタボードは、ボードをX-NUCLEO-IKS01A3拡張ボードに接続できます。
特徴
- 標準DIL 24ソケット用の完全なLIS2DUX12ピンアウト
- STEVAL-MKI109V3マザーボードに完全に互換
- RoHS準拠
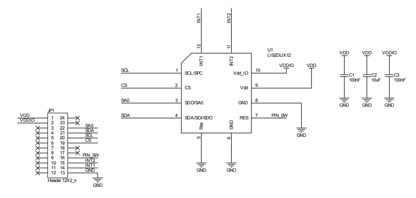
回路図
公開: 2023-02-03
| 更新済み: 2023-02-08
