STMicroelectronics STEVAL-PMIC1K1評価ボード
STMicroelectronics STEVAL-PMIC1K1評価ボードは、マイクロプロセッサユニットを対象としたSTPMIC1xパワーマネジメントICを評価するように設計されています。この評価ボードには、STPMIC1構成レジスタへのI2Cアクセスが搭載されており、他のパラメータの設定に役立つUSBドングルが含まれています。STEVAL-PMIC1K1評価ボードには、デバイスでの組み込みレギュレータおよびスイッチへの外部アクセスを目的としたヘッダコネクタが装備されています。この評価ボードは、任意の物理構成要件を満たすジャンパ経由の内部ルーティングも特徴です。特徴
- 評価ボード(STPMIC1x PMIC用)
- ヘッダコネクタを搭載
- 内部ルーティングジャンパ
- プログラマブル電圧出力と保護パラメータ
- プログラマブルコンバータパワーONおよびパワーOFFシーケンス
- I2C制御および非揮発性メモリ構成ストレージ
- 3.1V~5V単供給入力電圧範囲
- 単一デバイスMPU供給ソリューション組み込み:
- LDO 5個
- 高周波DC/DCコンバータ5台
- 端子1台
- 電圧リファレンス(DDRメモリ用)1つ
- パワースイッチ2個
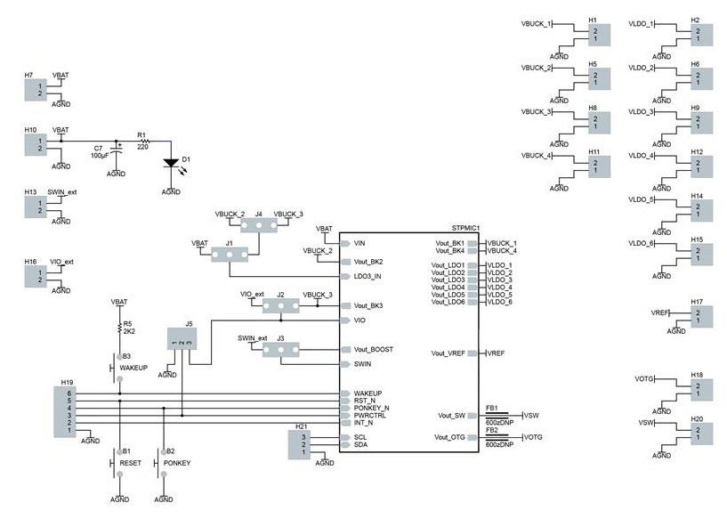
回路図
その他の資料
公開: 2019-12-15
| 更新済み: 2024-02-09
