STMicroelectronics STEVAL-SCR001V1評価ボード
STMicroelectronics STEVAL-SCR001V1評価ボードは、ST突入電流制限ソリューションのテストを目的とした低コストのボードです。STEVAL-SCR001V1評価ボードは、パワーコンバータの突入電流制限レジスタをバイパスするためのコンパクトで信頼性の高いリレー代替品です。このSTEVAL-SCR001V1ボードは、ACラインに自己同期された駆動回路で構成されています。この評価ボードを使用すると、低ゲート駆動消費およびパルスモードの動作でのSCR逆損失はありません。STEVAL-SCR001V1評価ボードは、最大5Aのピーク電流(@ 60°Cの周囲温度)のアプリケーションに適しています。特徴
- 突入レジスタをバイパスする2つの高温サイリスタ(SCR)
- 26mm x 26mm(約1平方インチ)コンパクトSMDソリューション
- 2台の低電圧トランジスタと7台のレジスタ(MCUなし)によるシンプルな駆動回路
- 非安定化電源が必要(二次巻線から作成された12V typ.)
- PFCおよびフライバックコンバータと互換性あり
- 50W~800W(230VRMS、TAMB = 60°C)のアプリケーションに最適
- 入力電圧範囲: 90VAC~265VAC
- 入力周波数範囲: 50/60Hz
- 堅牢で免疫:
- 2kV IEC 61000-4-5
- 2.5kV IEC 61000-4-4
- 低EMIノイズ(EN55014)ソリューション
- RoHS準拠
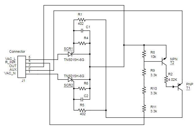
STEVAL-SCR001V1の回路図
公開: 2018-04-02
| 更新済み: 2023-02-01
