STMicroelectronics STEVAL-SCR002V1突入電流リミッタ
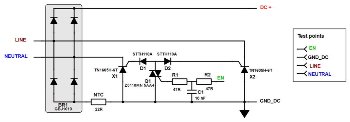
STMicroelectronics STEVAL-SCR002V1突入電流リミッタは、シンプルで革新的なAC-DCフロントエンド回路です。この回路を使用すると設計者は、入力整流器ブリッジトポロジが搭載されている任意のコンバータで突入電流制限を実行できます。STEVAL-SCR002V1は、Z0110MN SMDトライアック1台とSTTH110Aダイオード2台で作成されたディスクリート制御回路に基づいています。主電源SCRを対象としたコンパクトで非絶縁の高電圧ドライバです。
特徴
- 2つのTN1605H-6T 16A – 600V Hi Tj SCR (TO-220パッケージに格納)、突入抵抗をバイパスするために 使用
- コンパクトなソリューション:43.6mmx28.5mm(≈1.8sq in)
- すべてのモード(CCM、 CRM、DCM)でPFCあり/なしのAC/DCコンバータとの互換性あり
- GND_DC(DCまたはPWM信号)に対するイネーブル信号(EN = 3.3V~15V)
- 50W~1000W(230VRMS、TAMB = 60°C)のアプリケーションに最適
- ACまたはDC入力電圧に準拠: 90-265VAC、50/60Hz、または120-400VDC
- 堅牢、耐性(2kV IEC 61000-4-5、4kV IEC 61000-4-4)
- 低EMIノイズ(EN55014およびEN55022)ソリューション
関連製品
ノイズ耐性、ゲートトリガ電流、電源オン電流立ち上がりによって、堅牢な制御回路が可能になりました。
Available from from 200V to 1200V with various VF/tRR trade-offs.
あなたのデザインを完成させましょう
汎用アナログIC、ディスクリート、シリアルEEPROMのための幅広いドロップイン交換製品です。
公開: 2022-07-21
| 更新済み: 2023-09-11