IIS3DWセンサは、ボードの中央に正確にはんだ付けされており、振動分析を目的とした機器にボードを取り付けることができる両面接着が備わっています。あるいは、PCBの各角にある穴を使用してボードを取り付けることもできます。
STEVAL-MKIGIBV2は、スタンダードDIL 24ソケットに差し込むことができます。iNemo慣性モジュールキットは、完全IIS3DWBピン配列を実現しており、必要なデカップリングコンデンサをVDD電源線ですぐに使用できるようになっています。
STEVAL-MKI109V3マザーボードは、カスタマイズされたアプリケーションのための無料のUnico GUIグラフィカルユーザーインターフェイスあるいは専用のソフトウェアルーティングを実行するセンサとPCの間のブリッジとして機能する、高性能32ビット対応マイクロコントローラが特徴です。
特徴
- 事前に取り付けられたIIS3DWB加速度計
- 3軸加速度計(デジタル出力搭載)
- ユーザーが選択できるフルスケール: ±2g/±4g/±8g/±16g
- 極めて広くフラットな周波数応答範囲: DC~5kHz(±3dBポイント)
- 超低ノイズ密度: 3軸モードで最低90μg/√Hz / 単一軸モードで65μg/√Hz
- SPIシリアルインターフェイス
- コンパクトな2.5mm x 3.0mm LGA-14パッケージ
- スタンダードDIL 24ソケット向けに完全IIS3DWBピン配列を実現できるボード
- STEVAL-MKI109V3マザーボードに完全に互換
- 測定する機器への簡単な取付を目的に同梱されている両面接着剤
- RoHSおよびWEEE準拠
アプリケーション
- 振動監視
- 状況モニタリング
- 予知保全
- 試験および測定
IIS3DWBのブロック図
IIS3DWBアーキテクチャは、次の機能ブロックで構成されています:
- MEMS機械素子
- アナログ・デジタル・コンバータ(ADC)
- デジタルフィルタ(LPF1)
- 複合フィルタ
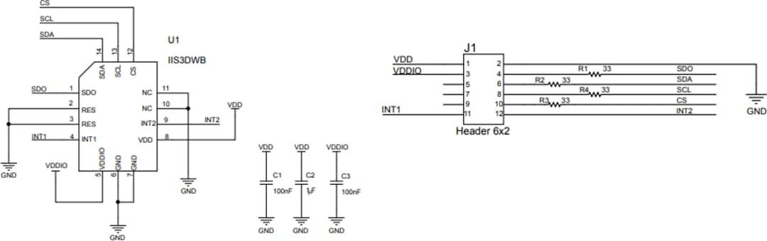
STEVAL-MKIGIBV2のスキーム図
STEVAL-MKI208V1のスキーム図
公開: 2020-01-08
| 更新済み: 2025-01-14

