STMicroelectronics STGAP4S絶縁ゲートドライバ
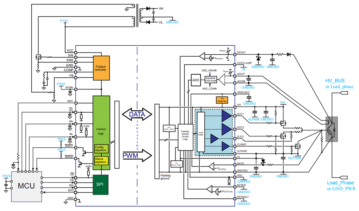
STMicroelectronics STGAP4S絶縁ゲートドライバは、ガルバニック絶縁シングルゲートドライバで、IGBTおよびSiC MOSFETを対象としており、高度な保護、構成、診断機能が搭載されています。これらのドライバのアーキテクチャは、真のガルバニック絶縁によってチャンネルゲート駆動を制御回路と低電圧インターフェイス回路から絶縁します。STGAP4Sドライバには、温度センサとコントローラが統合されており、正と負のゲートドライバ電源電圧を生成する絶縁フライバック電源に対応します。オープンドレイン診断出力があり、SPIを介して詳細なデバイス状態を監視できます。各機能のパラメータは、SPI経由でプログラムできるため、非常に柔軟性が高く、広範なアプリケーションに適合できます。STGAP4Sゲートドライバは、電気自動車(EV)、産業用インバータ、EV充電ステーション、UPS機器、ソーラーインバータ、AC/ACコンバータ、DC/DCコンバータ用のインバータで使用されます。特徴
- AEC-Q100認定を取得済
- 最高1200Vまでの高電圧レール
- 外部MOSFETバッファの直接駆動を目的とした2本の出力ピン
- ドライバ電流能力:
- OUT1: 0.6/2.5Aシンク/ソース
- OUT2: 2.4/0.6Aシンク/ソース
- 負のゲート・ドライブ能力
- dV/dt過渡電圧耐性: 全温度範囲で±100V/ns
- 絶縁フライバック電源用の統合コントローラ
- 外付けNチャンネルMOSFET用アクティブ・ミラー・クランプ・ドライバ
- プログラム可能な不飽和検出
- プログラム可能な過電流検出
- 各電源にプログラム可能な不足電圧ロックアウト(UVLO)および過電圧ロックアウト(OVLO)
- プログラマブルな入力デグリッチ・フィルタ
- ソフトターンオフ
- VCE アクティブクランプ
- 2つの診断ステータス出力
- 非同期の停止コマンド
- 絶縁8ビットA/Dコンバータ
- 集積温度センサ
- プログラマブルな不感時間、バイオレーションエラー付き
- パラメータのプログラミングと拡張診断用SPIインターフェイス
- 温度警告およびシャットダウン保護
- 保護機能用の自己診断ルーチン
アプリケーション
- EV/HEV用インバータ
- 600/1200V産業用インバータ
- EV充電ステーション
- UPS設備
- AC/ACコンバータ
- DC/DCコンバータ
- ソーラーインバータ
ブロック図
標準アプリケーション回路
ビデオ
公開: 2024-03-15
| 更新済み: 2025-08-12
