特徴
- ゲート駆動とフリーホイーリング・ダイオード用の制御IC2台搭載のIPM 600V、三相IGBTインバータブリッジ
- ヒステリシスで3.3V、5V TTL/CMOS入力
- 内部ブートストラップダイオード
- ゲートドライバの不足電圧ロックアウト
- スマートシャットダウン機能
- 短絡保護
- シャットダウン入力/故障出力
- 別途のオープンエミッタ出力
- 内蔵温度センサ
- 故障保護用コンパレータ
- 頑丈なTFS IGBTの短回路
- 超高速、ソフトリカバリダイオード
- 85kΩ NTC、UL 1434、CA 4認定済
- 完全絶縁パッケージ
- 1500Vrms/分の絶縁定格
- UL 1557、File E81734 UL認識
- ESD保護を強化する組み込みTVS
アプリケーション
- モータ駆動用3相インバータ
- 洗濯機
- 乾燥機
- ポンプ
- エアコン
- ミシン
パッケージの外形
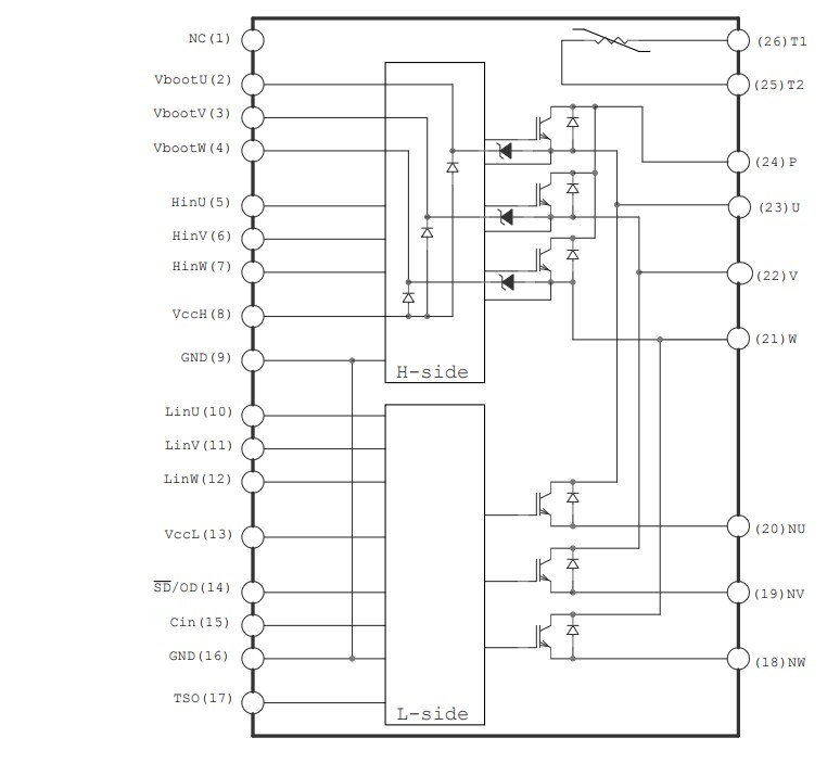
内部回路図
公開: 2020-10-30
| 更新済み: 2024-12-30

