STGIPQ5C60T小型低損失インテリジェント形成モジュール(SLLIMM)nano IPMは、効率的な保護回路の設計に使用できるオペレーショナルアンプとコンパレータが特徴です。一般的なアプリケーションには、モータドライブ用3相インバータ、空調ファン、冷凍機圧縮機、再循環ポンプなどがあります。
特徴
- 内部ブートストラップダイオード
- 低電圧ロックアウト
- スマートシャットダウン機能
- インターロッキング機能
- 電磁妨害雑音環境に最適
- 先進的電流検出用オペアンプ
- 過温度に対する故障保護向けコンパレータ
- 1500Vrms/分の絶縁定格
アプリケーション
- モータ駆動用3相インバータ
- 食器洗い機
- 冷蔵庫用コンプレッサ
- 加熱システム
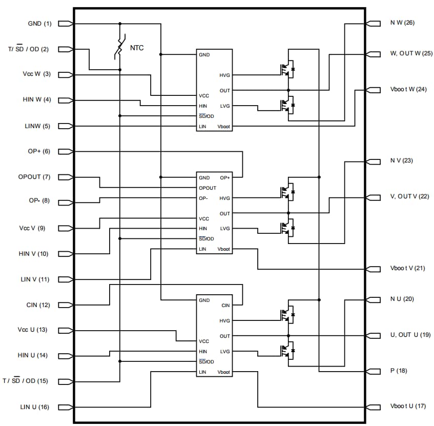
内部回路図とピン構成
公開: 2017-11-16
| 更新済み: 2022-03-10

