STMicroelectronics STSPIN32F025x 250V 3相コントローラ
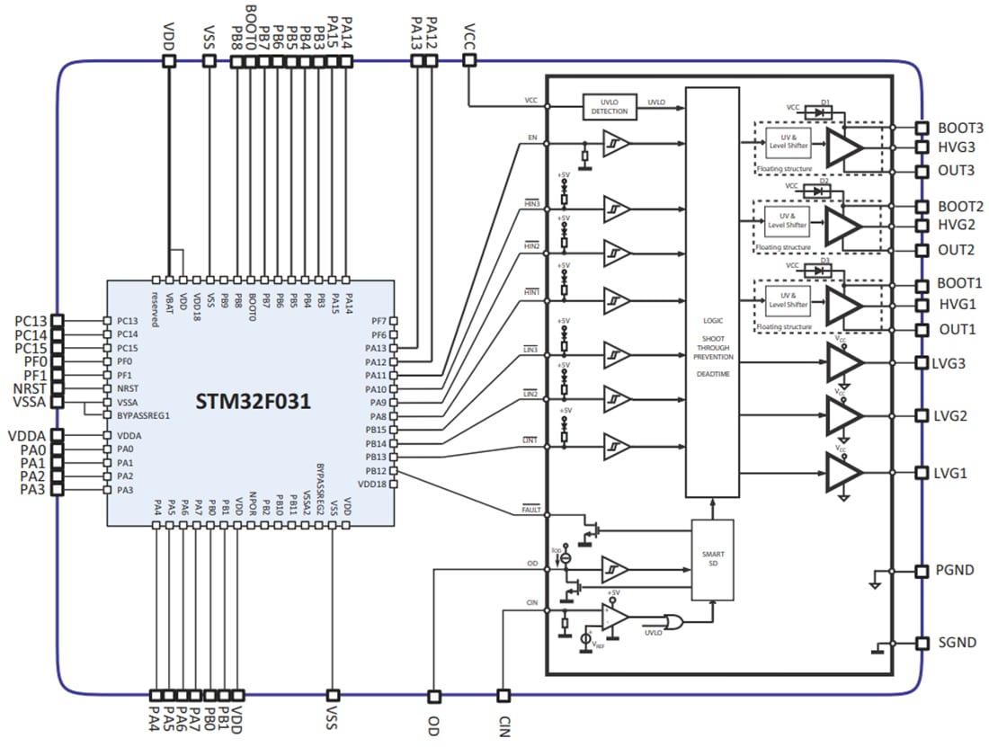
STMicroelectronics stspin32f025x 250V三相コントローラは、三相アプリケーションの駆動を目的とした極めて統合性の高いソリューションです。この統合は、設計者がPCB領域と全体的な部品表を削減することに貢献します。STSPIN32F025xには、Arm® 32ビットCortex®-M0 CPU、および250Vトリプルハーフブリッジゲートドライバを特徴とするSTM32F031x6x7 MCUが組み込まれています。ハーフブリッジゲートドライバは、NチャンネルパワーMOSFETあるいはIGBTを駆動できます。高度SmartSD機能を特徴とするコンパレータが統合されており、過負荷および過電流に対する高速かつ効果的な保護が保証されています。高電圧ブートストラップダイオードも統合されており、さらには下部と上部の両方の駆動セクションに相互交差防止、デッドタイム、UVLO保護もあります。これらの機能によって、低効率または危険な状態での電力スイッチの動作が防止されます。低圧側と高圧側セクションの間の整合遅延は、サイクル歪みがないことが保証されています。統合MCUを使用すると、FOC、6ステップ・センサレス、およびスピード制御ループをはじめとするその他の高度駆動アルゴリズムの実行が可能になります。特徴
- 3相ゲートドライバ
- 最高250Vの高電圧レール
- ドライバ電流能力
- 200mA/350mAソース/シンク電流(STSPIN32F0251)
- 1.0/0.85Aソース/シンク電流(STSPIN32F0252)
- dV/dt過渡耐性±50V/ns
- ゲート駆動電圧範囲9V~20V
- 32ビットARM® Cortex®-M0コア
- 最高48MHzのクロック周波数
- HWパリティでの4キロバイトSRAM
- 読み込み/書き出し保護に使用されるオプションバイト付32Kバイト・フラッシュメモリ
- 21の汎用I/Oポート (GPIO)
- 6個の汎用タイマ
- 12ビットADCコンバータ(最大10チャンネル)
- I2C、USART、SPIインターフェイス
- 全チャンネルに対して伝搬遅延をマッチング
- 統合ブートストラップダイオード
- 高速過電流保護用のコンパレータ
- UVLO、インターロッキングとデッドタイム機能
- スマートシャットダウン(smartSD)機能
- 低消費電力用スタンバイモード
- SWD経由でのオンチップデバッグサポート
- 拡張温度範囲: -40°C~+125°C
アプリケーション
- バッテリ駆動および110VACで供給される電源とガーデンツール
- 工業ファンとポンプ
- 家庭用電化製品
- 産業用/ホーム・オートメーション
ブロック図
ビデオ
公開: 2019-10-28
| 更新済み: 2024-02-23
