STMicroelectronics STSPIN32G025x 250V 3相BLDCコントローラ
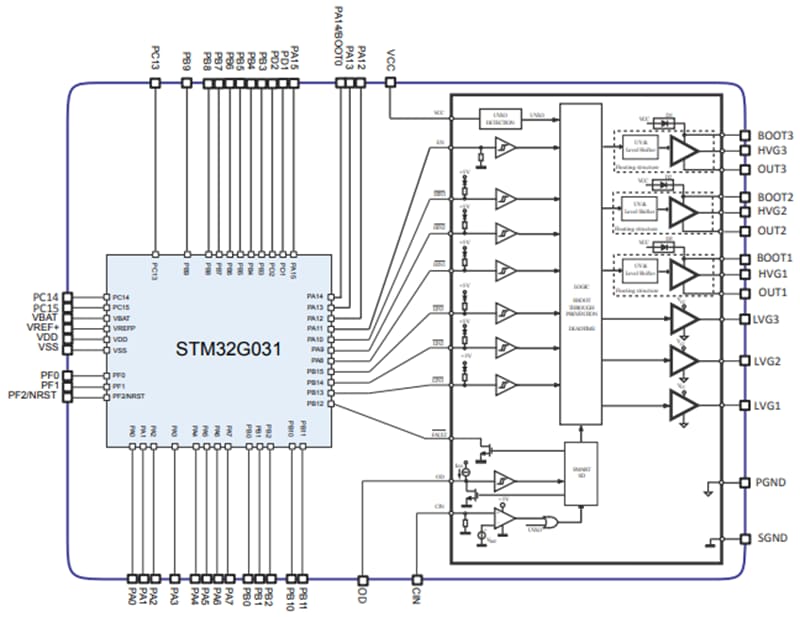
STMicroelectronics STSPIN32G025x 250V 3相BLDCコントローラは、3相アプリケーションを駆動するための統合ソリューションです。 STMicroelectronics STSPIN32G025xは、STM32G031x8x3 MCUと250Vトリプルハーフブリッジゲートドライバを内蔵しています。コントローラは、NチャンネルパワーMOSFETまたはIGBTをサポートしています。このデバイスには、迅速かつ効果的な過負荷および過電流保護のためのsmartSDコンパレータが含まれています。統合機能には、高電圧ブートストラップダイオード、アンチクロス伝導、デッドタイム、両駆動部のUVLO保護、歪みのないサイクルのための整合遅延などがあります。特徴
- 3相ゲートドライバ
- 最大250Vの高電圧レール
- dV/dt過渡耐性±50V/ns
- ゲート駆動電圧範囲: 9V~ 20V
- ドライバ電流能力
- ソース/シンク電流:200/350mA(+25°C時)(STSPIN32G0251)
- ソース/シンク電流:1.00/0.85A(+25°C時)(STSPIN32G0252)
- 32ビットArm® Cortex®-M0+ MCUコア
- クロック周波数:最大64MHz
- ハードウェアパリティチェック機能付き8Kバイト SRAM
- 保護機能およびセキュリティ保護可能な領域を備えた64Kバイト フラッシュメモリ
- CRC演算ユニット
- 最大32x 汎用I/Oポート(GPIO)
- 1x モータ制御用高度タイマ、16ビット、最大6つのPWMチャンネル
- 5x 汎用タイマ(1x 32ビット)
- 2x 低消費電力タイマ
- 12ビットADCコンバータ(最大15チャネル)、変換レート2MSps
- 柔軟なマッピングが可能な5チャネルDMAコントローラ
- 内部高精度電圧リファレンス
- フルセットのインターフェイス:2x I2C、2x SPI、3x UART、1x 低消費電力UART
- 全チャンネルに対して伝搬遅延をマッチング
- 統合ブートストラップダイオード
- 高速過電流保護用コンパレータ
- UVLO、インターロッキング、デッドタイム機能
- スマートシャットダウン(smartSD)機能
- 低消費電力用スタンバイモード
- SWD経由でのオンチップデバッグサポート
- -40°C~+125°C拡張周囲温度範囲
- QFN 10mm x 10mm 72Lピッチ 0.5mm沿面 1.8mmパッケージ
アプリケーション
- 3相モータドライバ
- インバータ
- 産業用機器およびファン
ブロック図
公開: 2024-02-28
| 更新済み: 2024-03-15
